Skip to main content
Top

Analysis of photovoltaic penetration on voltage stability in the electrical distribution system of manabí using neural networks: a practical case study approach

  • Open Access
  • 31-10-2025
  • Neural Networks
Published in:

Activate our intelligent search to find suitable subject content or patents.

search-config
loading …

Abstract

This study delves into the critical challenges of maintaining voltage stability in electrical distribution systems (EDS) with high photovoltaic (PV) penetration. By employing artificial neural networks (ANN), the research optimizes voltage stability index (VSI) calculations, providing real-time predictions that outperform traditional methods. The focus is on the Manabí distribution system, where reactive power compensation devices and ANN are used to ensure stability under varying operational scenarios. The study compares multilayer perceptron (MLP) and radial basis function (RBF) architectures to determine the most efficient model for VSI estimation. Key findings include the identification of critical nodes and the impact of PV penetration on system stability, offering a comprehensive strategy to improve voltage stability in distribution networks. The research highlights the importance of strategic planning for PV integration, ensuring robust system stability and efficient power management.

Publisher's Note

Springer Nature remains neutral with regard to jurisdictional claims in published maps and institutional affiliations.

1 Introduction

Voltage control in electrical distribution systems (EDS) with high photovoltaic (PV) penetration poses significant challenges for maintaining system stability due to varying operational conditions (Hu et al. 2020; Tangi et al. 2021). Additionally, growing demand and renewable generation variability increase the risk of instability (Deb et al. 2016), making it essential to define operational limits that ensure system stability under high PV penetration (Aman et al. 2013).
Two main approaches are commonly used to assess voltage stability: (a) static analysis based on power flow to verify stability under different load conditions, and (b) dynamic simulations that analyse system responses to transient disturbances (Varshney et al. 2012). Voltage stability is typically measured as the difference between the system’s maximum load capacity and the current operating point, indicating how close the system is to voltage collapse (Alzaareer et al. 2020). In this study, a static approach is adopted, using voltage stability indices (VSI) to assess stability in the Manabí distribution system with PV penetration.
Artificial neural networks (ANN) are implemented to optimize VSI calculations due to their ability to learn complex patterns and provide real-time predictions, outperforming traditional power flow-based methods. This is especially valuable in systems with distributed generation and changing conditions. Additionally, reactive power compensation devices, such as capacitor banks and voltage regulators, are employed to ensure stability during different operational scenarios.
This paper is divided into four main sections: a literature review, description of the voltage stability analysis techniques and ANN selection criteria, evaluation and discussion of results, and conclusions on the impact of PV penetration on system stability.
Voltage stability in EDS with distributed generation refers to the system’s ability to maintain adequate voltage levels, even under disturbances like changes in load or generation (Zhu et al. 2018; Alizadeh et al. 2023; Gong et al. 2022; Montoya et al. 2022; Mehta et al. 2018; Ding et al. 2021). Previous studies have explored the use of reactive power controls, such as STATCOM and VoltVarControl (VVC), to stabilize the system during distributed generation connection and disconnection (Ibrahim et al. 2023; Kumar Tatikayala and Dixit 2023; Saidi 2022).
The work by Schinke and Erlich (2018) highlights voltage, frequency, and power control during contingencies in PV plants using electromagnetic transient (EMT) models. Additionally, (Liu et al. 2023) proposed using maximum and minimum operating conditions for PV generation as voltage stability indicators. In (Shukla et al. 2020), optimization of power losses and switching operations is conducted, while maximizing voltage stability margins. Moreover, (Rahman et al. 2021) employed Monte Carlo simulation to assess voltage stability using critical eigenvalues and line losses.
Various strategies to improve system stability are proposed in the literature. For instance, (Kong et al. 2019) suggests implementing hybrid systems with hydrogen generators and batteries to stabilize active power generation. (Ma et al. 2014) introduced a sizing model for PV systems with pumped storage, optimizing PV capacity and efficiency. (Wang et al. 2020) used a matrix-based modelling approach to simplify complex models and promote system stability. Additionally, (Luo et al. 2021; Scott et al. 2023) employed machine learning techniques, such as long short-term memory (LSTM) neural networks, to improve PV output prediction, contributing to system stability. Finally, (Li et al. 2019a) introduced the Hybrid Improved Multi-Verse Optimizer (HIMVO) algorithm to enhance PV output estimation accuracy, improving solar energy management in the grid.
These approaches provide a solid foundation for addressing system stability, with VSI serving as a key indicator. Recent research on distributed generation in EDS focuses on analysing VSI for optimal DG placement in stability studies. For instance, (Singh et al. 2020a) uses VSI to train ANN, while (Khan et al. 2023) applies an arithmetic optimization algorithm. Moreover, (Innah and Hiyama 2011; Calma and Pacis 2021; Francis et al. 2013; Sajan et al. 2014; Bulac et al. 2015; Singh et al. 2020b; Subramani and S. S. D. Harish Kiran S, 2016; Chakraborty et al. 2012; Devaraj and Roselyn 2011; Gonzalez et al. 2019) examine VSI utility alongside ANN to study voltage stability in power systems.
ANN has proven to be an effective tool in electrical engineering (Li et al. 2019b), particularly in the renewable energy sector (Rasheed and Verayiah 2021; Heydari et al. 2021; Marugán et al. 2018; Hong and Rioflorido 2019; Saberian et al. 2014; Abdolrasol et al. 2021; Mohammad et al. 2022). Their ability to predict solar and wind generation, optimize power system management, and anticipate demand places them above other optimization techniques. ANN excels in handling nonlinear systems and modelling complex phenomena, offering better results than conventional methods (Chakraborty et al. 2012; Devaraj and Roselyn 2011; Gonzalez et al. 2019; Li et al. 2019b; Rasheed and Verayiah 2021; Heydari et al. 2021; Marugán et al. 2018; Hong and Rioflorido 2019; Saberian et al. 2014; Abdolrasol et al. 2021; Mohammad et al. 2022; Haider et al. 2021).
Multilayer perceptron (MLP) and radial basis function (RBF) architectures are particularly effective in addressing complex nonlinear problems. Despite the computational challenges, their ability to capture complex patterns makes them valuable in optimization (Montoya et al. 2022; Chakraborty et al. 2012; Devaraj and Roselyn 2011; Abdolrasol et al. 2021; Mohammad et al. 2022; Haider et al. 2021; B et al. 2023; Shi et al. 2023; Dai et al. 2024). MLPs are widely used in supervised learning, offering high accuracy in test data classification (Chatterjee et al. 2022; García Nieto et al. 2023). Moreover, they have shown superior performance in energy systems, making them useful tools for determining optimal PV locations in EDS (Vieira et al. 2022). However, RBF ANN requires more input data for adequate training (Chakraborty et al. 2012; Devaraj and Roselyn 2011; Gonzalez et al. 2019; Dozein et al. 2015). While RBF networks offer simpler designs (Dai et al. 2024), MLPs excel in learning efficiency and the ability to model complex data relationships, making them the preferred choice when detailed analysis and accuracy are required. Table 1 shows a comparative study about methodologies used in voltage stability in the literature.
Table 1
Key studies on voltage stability and ANN
Reference
Main Contribution
Methodology
Quantifiable Indicators
Hu et al. 2020)
Voltage control in distribution networks through coordinated regulation of active and reactive power of DG
Active and reactive power regulation model in DG networks
Voltage variation reduction by 15%
Tangi et al. 2021)
Voltage regulation in smart grids using sensitivity analysis for DG placement
Sensitivity analysis and optimal DG placement
Voltage profile improvement by 10% in smart grids
Deb et al. 2016)
Voltage stability analysis using reactive power loading as an indicator and improvement with FACTS devices
Stability simulation with FACTS and reactive power analysis
Voltage collapse risk reduction by 20% with FACTS
Aman et al. 2013)
Optimization method for optimal DG placement and sizing based on voltage stability maximization and loss minimization
Multi-objective optimization with voltage stability and loss minimization
Optimal DG placement improving stability by 12%
Varshney et al. 2012)
Integrated security assessment of the power system using ANN and parallel computing
Artificial neural networks and parallel computing
Voltage stability accuracy improvement by 18% using ANN
Alzaareer et al. 2020)
Preventive voltage stability control method for distribution networks
Voltage sensitivity matrix-based model
Voltage control optimization with loss reduction by 8%
Zhu et al. 2018)
Optimization of distributed generation capacity considering system reliability
System reliability-based optimization
Voltage drop reduction by 10%
Alizadeh et al. 2023)
Optimal placement and sizing of PV plants using multi-objective evolutionary algorithms
Multi-objective evolutionary algorithm applied to PV systems
PV capacity optimization with 14% efficiency improvement
Gong et al. 2022)
Optimal distribution network planning considering PV generation uncertainty and switch-state variations
Stochastic analysis and optimal planning
Grid congestion reduction by 9%
Montoya et al. 2022)
Optimization of PV unit location and sizing in distribution networks using GNDO
Distributed generation optimization algorithm
Energy loss reduction by 7% with GNDO
Mehta et al. 2018)
Optimal selection of distributed generation units to enhance voltage stability and minimize losses
Power flow-based optimization and stability analysis
Stability optimization with 6% loss reduction
Ding et al. 2021)
Adaptive model for long-term photovoltaic power generation forecasting
Predictive model based on historical data and neural networks
PV generation forecasting accuracy improved by 5%
Ibrahim et al. 2023)
Voltage stability assessment in solar penetration using modal analysis
Modal analysis and P-V curve for stability evaluation
Voltage collapse Margin reduction by 15%
Kumar Tatikayala and Dixit 2023)
Voltage control in high PV penetration networks using smart inverters
Smart inverter simulation and reactive power optimization
Voltage regulation improvement by 13% using smart inverters
Saidi 2022)
Impact of grid-tied PV systems on voltage stability through dynamic reactive power control
Dynamic system simulation with reactive power control
Dynamic control optimization improving voltage stability by 11%
This research focuses on the stability and optimization of EDS, introducing innovative solutions that combine ANNs with VSI to enhance stability assessment in distribution systems with PV integration. ML techniques are employed to optimize VSI estimation, reducing computational complexity and improving accuracy. A comparative analysis between MLP and RBF architectures is conducted to determine the most efficient model for VSI estimation, while the integration of reactive power compensation (such as capacitor banks and voltage regulators) ensures system stability under various operating conditions. Additionally, VSI is highlighted as a key decision-making tool, allowing the evaluation of EDS behaviour across different scenarios and facilitating strategic planning for PV integration. This approach not only prepares the EDS of Bahía de Caráquez for future PV deployment by identifying vulnerabilities and critical nodes, but also connects theoretical advancements with practical implementation, offering a comprehensive strategy to improve voltage stability in distribution networks as shown in Fig 1.
Fig. 1
Graphical abstract proposed
Full size image

2 Proposed system

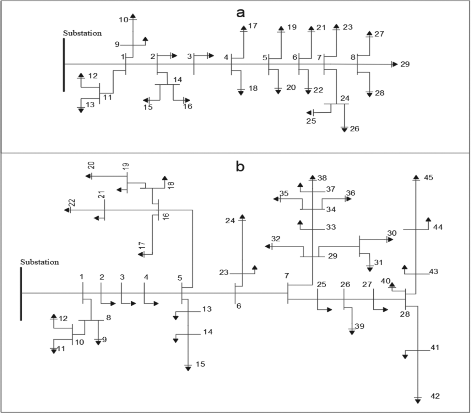
This study analyses the steady-state voltage stability of the EDS in Bahía de Caráquez, Manabí, Ecuador, in preparation for the imminent integration of PV generation. Although no PV is currently installed, the analysis aims to prepare the system for future integration. Two representative feeders were selected for this purpose: Feeder N#1, which is commercial and residential with a demand of 1,019 kW and a length of 5.7 km, and Feeder N#2, which is residential with a demand of 1,263 kW and a length of 15 km. Both feeders are equipped with capacitors for reactive power compensation, designed to ensure voltage stability under current conditions, but not prepared for the integration of PV generation, which is the focus of this study. Fig 2 shows the single-line diagrams of the feeders, highlighting key nodes for voltage stability analysis in the future integration of PV. The detailed electrical parameters for each feeder are provided in Table 2 in the Appendix, offering the necessary data for replicating the results and evaluating stability in PV integration scenarios. The primary goal is to identify vulnerabilities and prepare the system to ensure voltage stability under steady-state conditions as PV generation is integrated in the future.
Fig. 2
One-line diagram of the feeders analyzed (A) Electric Feeder N#1, (B) Electric Feeder N#2
Full size image
Table 2
Studies on voltage stability with ANN
References
Objectives
Methodology
Indexes
Varshney et al. 2012)
Integrated security assessment of the power system using ANN and parallel computing
Artificial neural networks and parallel computing
Voltage stability accuracy improvement by 18% using ANN
Vineeth 2024)
Analyse of the dynamic loads and renewable energy resources’ impact on the stability and reliability of the next-generation electrical grid
Artificial Neural Network (ANN) with Radial Basis Function Neural Network (RBFNN)
A 6.8 % decrease in the load power factor in the far end bus and a 30 % reduction in the loading factor
P. Singh, S. K. Parida, B. Chauhan and N. Choudhary,"Online Voltage Stability Assessment Using Artificial Neural Network considering Voltage stability indices,"2020)
Determine the voltage stability indices and maximum load ability at all load buses. ANN implementation for online voltage stability assessment
Analyse the impact of the reactive power load on the values of the indices as a function of the maximum load capacity.
The accuracy of the Newton
Raphson combined with the ANN method is found to be
approximately 99.99%. MSE obtained is of the order of 10e-6
Failed 2011)
Develops optimal reconfiguration technique based on a new heuristic approach
Using developed VSI an ANN model is simulated to achieve best set of switching option for different tie and sectionalize switches of the system
Voltage stability of the system is improved significantly and active and reactive power losses are reduced
Abbass et al. 2023)
Neural network-based methods successfully are able to estimate voltage stability margin in normal mode
Voltage stability margin can be estimated in real time and can be used to start actions related to stability control
Artificial neural network training was done in the range of ±30% of active and reactive power of system
F. M. Shahir P. S. Shirazi 2020"Monitoring of Voltage Stability Margin by Artificial Neural Network,", 2020)
The Artificial Neural Network (ANN) use for predicting the voltage stability of the electrical power grid
The utilization of an artificial intelligence network (ANN) to facilitate the training and prediction of the nodal voltage level
The model provided the highest precision of 98.73%, along with the lowest values of the mean squared error (0.0095) and the mean absolute error (0.0141)

3 Methodology

The methodological development of this research has focused on addressing several key issues: (1) Determine PV nodes, (2) Study voltage behaviour in EDS with DG, (3) Analyse voltage stability in EDS, and (4) Apply ANNs. Each of these aspects plays a fundamental role in the understanding and optimisation of power systems.

3.1 Determination of PV nodes

The determination of the candidate nodes to insert the PVs in both feeders arises from the geographical location of the nodes, i.e., the nodes that are located in populated areas and without physical space for the location of PVs are discriminated.
It is established that feeder N#1, as shown in Fig 3(a), presents opportunities for the generation of electric power through PV in nodes N#1 (Fig 3(a)), N#3 and N#4, since they are located in proximity to areas suitable for the installation of these systems. In contrast, in feeder N#2, represented in Fig 3(b), multiple nodes are identified close to physical spaces available for PV installation. However, nodes N#1, N#5 (Fig 3(b)) and N#7 have been specifically selected for a detailed analysis due to their relevance and strategic location.
Fig. 3
Geographical location of nodes in the electrical feeders (a) Scenario N#1 (b) Scenario N#2
Full size image
The current state of the Manabí EDS closely mirrors the two presented scenarios. Hence, this study aims to analyse voltage stability when PV in the predominant scenarios of the EDS in this province are considered. Therefore, the installation of PV systems in other locations is limited by available physical spaces.

3.2 Determination of voltage in EDS

The incorporation of DG has shifted the distribution network from passive to active, resulting in both challenges and benefits (Tangi et al. 2021). As a consequence of changes in load conditions and the growing adoption of distributed generation within the distribution network, fluctuations in voltage levels at distributed generation connection points have been noted. In certain instances, these fluctuations can surpass the limits established by regulations.
Fig 4 demonstrates the variability of voltage levels across the grid with DG integration (Hu et al. 2020; Tangi et al. 2021) where PDG and QDG are the active and reactive power of the DG, respectively, while PLoad and QLoad represent the active and reactive power demanded by the load. R+jX corresponds to the line impedance.
Fig. 4
Simplified diagram of the distribution network with DG
Full size image
The representation of a voltage increment (ΔV) in an active distribution network, as depicted in Figure 3, can be expressed as follows:
$$\Delta V={V}_{R}-{V}_{S}\approx \frac{{R}_{line} P+{X}_{line }Q}{{V}_{R}}$$
(1)
Where P = (PGD – PLoad), Q= (-QLoad \(\pm\) QDG), VR denotes the voltage generated at the DG connection point. If this value is expressed in per unit, then equation (1) is replaced by equation (2) as follows:
$$\Delta V={V}_{R}-{V}_{S}\approx R\left({P}_{DG}-{P}_{Load}\right)+X(-{Q}_{Load}\pm {Q}_{DG})$$
(2)

3.2.1 Voltage stability in EDS

Several voltage stability indices (VSIs) have been proposed in the literature to evaluate system stability (Lim et al. 2012; Mahmud et al. 2014). These methods are generally divided into two main approaches: (1) based on the Jacobian matrix of system variables and (2) focused on analysing the system’s linear data. The VSI method based on the Jacobian matrix first determines the voltage collapse point, followed by the calculation of the Voltage Stability Margin (VSM). However, this approach requires significant computational time to determine the location and capacity of DG, and any changes in system topology necessitate recalibration of the Jacobian matrix elements. In contrast, the second VSI method, which uses system line data, offers shorter computational times (Said et al. 2018).
A limitation common to both methods is the lack of precision in estimating the VSM. While the indices identify critical lines and nodes, which are useful for determining the appropriate DG capacity and location, they do not fully capture the system’s stability. The VSI is used to detect the most vulnerable nodes and lines, representing critical points related to voltage stability (Said et al. 2018). In (Modarresi et al. 2016), various classifications of VSI methods are described, distinguishing indicators for nodes, lines, and global evaluations. In this study, system parameters and power demand, including PV generation, are used to address voltage stability issues.
Due to the continuous increase in load demand and contingencies in EDS, electrical systems may experience voltage drops under certain critical load conditions (Massignan et al. Mar. 2017). To be considered stable, the system must maintain acceptable voltages at all nodes under normal conditions and after disruptive events. Figs 5(a) and 5(b) illustrates how voltage varies as a function of load power, commonly referred to as the"nose curve"or P-V curve (Said et al. 2018; Rahmani and Rezaei-Zare 2018). This curve presents two voltage solutions under different load conditions: one stable and one unstable, at the point of maximum allowable load (Pmax). In the traditional method to obtain the P-V curve, power demand is incrementally increased at the buses, voltage is measured, and the corresponding curves are plotted for each bus.
Fig. 5
P-V Curve and its analysis characteristics
Full size image
Fig 5(a) shows the variation in voltage as a function of load in an electrical system, highlighting two operating points (A and B). Fig 5(b) further demonstrates how the P-V curve can be used to analyse critical voltage points and collapse margins, calculating the amount of load reduction required to maintain voltage within an acceptable range. These figures emphasize the importance of maintaining voltage at the apex of the nose curve to mitigate the risk of voltage collapse.
Fig 5(b) depicts P-V curves representing the correlation between active power and voltage in an electrical system, while varying the power factor (PF) of the load (Rahmani and Rezaei-Zare 2018).
The equation (3) allows to determine the voltage Vj at node j showed Fig 4, (Said et al. 2018; Rahmani and Rezaei-Zare 2018), considering a distribution line with interconnected parameters linking two nodes in the system.
$${V}_{j}^{4}+\left[2\left({P}_{j}R+{Q}_{j}X\right)-{V}_{i}^{2}\right]{V}_{j}^{2}+\left({P}_{j}^{2}+{Q}_{j}^{2}\right)\left({R}^{2}+{X}^{2}\right)=0$$
(3)
From equation (3), \({V}_{i}^{2}\) can be obtained from a quadratic equation that provides two solutions: one stable and one unstable, as showed in Fig 5(a). The stable solution for \({V}_{i}^{2}\) is obtained from the condition of equation (4), which allows the calculation of VSIj represented in equation (5) (Said et al. 2018).
$${\left[2\left({P}_{j}R+{Q}_{j}X\right)-{V}_{i}^{2}\right]}^{2}-4\left[\left({P}_{j}^{2}+{Q}_{j}^{2}\right)\left({R}^{2}+{X}^{2}\right)\right]\ge 0$$
(4)
$${{VSI}_{j}=\left[2\left({P}_{j}R+{Q}_{j}X\right)-{V}_{i}^{2}\right]}^{2}-4\left[\left({P}_{j}^{2}+{Q}_{j}^{2}\right)\left({R}^{2}+{X}^{2}\right)\right]$$
(5)
The calculations conducted in equations (4) and (5) reveal that the critical voltage stability index (VSIcr) equals zero. The VSI for the entire distribution system is defined as the lowest or minimum value of VSI among the set of nodes, as represented in equation (6) (Said et al. 2018).
$$VSI=min\left[{VSI}_{1}, {VSI}_{2}, {VSI}_{3},...,{VSI}_{n}\right]$$
(6)
The node associated with VSI is identified as the most vulnerable node, from which voltage collapse initiates. Consequently, the voltage stability margin is established by the disparity between VSI and VSIcr. When a DG unit is integrated at node j, VSIj can be computed using equation (7) (Said et al. 2018).
$$\begin{aligned} {VSI}{j}=&{\left[2\left(\left({P}{l}-{Q}{DG}\right)R+\left({Q}{l}\pm {Q}{DG}\right)X\right)-{V}{i}^{2}\right]}^{2}\\&-4\left[\left(\begin{array}{c}{\left({P}{l}-{P}{DG}\right)}^{2}\\ {+\left({Q}{l}\pm {Q}{DG}\right)}^{2}\end{array}\right)\left({R}^{2}+{X}^{2}\right)\right]\end{aligned}$$
(7)
where \({P}_{l}\) represents the active power of the load, \({Q}_{l}\) represents the reactive power of the load, \({P}_{DG}\) indicates the active power of the distributed generator, and \({Q}_{DG}\) reflects the reactive power of the distributed generator. It is noteworthy that the"+"sign denotes a lagging power factor, while the"-"sign indicates a leading power factor.

3.3 Artificial neural network

In this study, both ANNs with MLP and RBF architectures were utilized to compare their performance to determine the VSI of the studied EDS nodes. These two architectures were selected due to their designs, capabilities, and learning efficiencies. The comparation between both ANNs architectures gave valuable insights into the relative advantages of each neural network type in terms of accuracy and generalization capability. Consequently, it contributed to a more thorough and informed comprehension of their applicability within the context of the studied problem.

3.3.1 Multilayer perceptron neural network

The MLP is a type of ANN that lacks feedback; therefore, data continuously flows to the output layer. This network architecture employs hidden layers with nonlinear transfer function characteristics to process input information (Fig 5(a)). The network can be expressed as follows:
$${y}_{t}={\alpha }_{0}+{\sum }_{j=1}^{n}{\alpha }_{j}f\left({\sum }_{i=1}^{m}{\beta }_{ij}{y}_{t-i+}{\beta }_{0j}\right)+{\varepsilon }_{t}$$
(8)
Where:
\({y}_{t}\) is the output of the neural network;
m is the number of input hidden layers;
n is the number of hidden layers;
\({\alpha }_{j}\) represents the vector of weights from the hidden layers to the outputs j =(0,1,….,n);
f is the activation function of the network;
\({\beta }_{ij}\) represents the weights from the input to the hidden layers i=(1,2,…..,m); j=(0,1,….,n);
\({y}_{t-i}\) are the lagged values of the dependent variable;
\({\alpha }_{0}\) and \({\beta }_{0j}\) are inter-layer connection weights, known as biases;
\({\varepsilon }_{t}\) is the error term at time t.
Meanwhile, f is considered the sigmoid transfer function, expressed as follows:
$${f}_{(x)}=\frac{1}{1+exp(-x)}$$
(9)

3.3.2 Radial basis function Neural Network

ANNs with RBF architecture consist of two layers: the first layer is a radial-based hidden layer, and the second layer is an output layer with linear characteristics (refer to Fig 6(b)). In the hidden layer, neurons are activated by nonlinear functions known as basic functions. The basic functions are activated based on the Euclidean distance between the input vectors and the basis function. Typically, the multivariate Gaussian function is employed for this purpose, as depicted in equation (10) (Innah and Hiyama 2011; Devaraj and Roselyn 2011; Gonzalez et al. 2019; Devaraj et al. 2002; Alqaisi and El-Bayeh 2022).
$${g}_{i}(x)=\mathit{exp}\left(-\frac{{\Vert x-{u}_{i}\Vert }^{2}}{2{\sigma }_{i}^{2}}\right)$$
(10)
Where:
Fig. 6
Structure of ANNs with (a) MLP and (b) RBF architectures
Full size image
\({g}_{i}\) represents the values of the hidden neurons;
\(x\) represents the input vector;
\({u}_{i}\) represents the weight vector associated with the hidden unit i (representing the Kernel or center of the multivariate Gaussian function);
\(x-{u}_{i}\) is the expression representing the Euclidean distance;
\({\sigma }_{i}\) represents the dispersion of the radial basis function.
For the determination of \({y}_{k}\), a linear summation procedure is considered, where the second layer presents weighted connections. The value of the k-th output node \({y}_{k}\) is presented, as given by equation (11) (Devaraj and Roselyn 2011; Gonzalez et al. 2019; Devaraj et al. 2002; Alqaisi and El-Bayeh 2022).
$${y}_{k}\left(x\right)={\sum }_{j=1}^{h}{w}_{kj }{\varnothing }_{j}\left(x\right)+{w}_{k0}$$
(11)
Where:
\({y}_{k}\left(x\right)\) is the output of neuron k in the output layer of the neural network.
\({w}_{kj}\) represents the connection weight between the k-th output node and the \(j\)-th hidden node.
\({\varnothing }_{j}\left(x\right)\) is the activation function of neuron j in the previous layer.
\({w}_{k0}\) is the bias associated with neuron k in the output layer.
For training ANN’s with RBF architecture, the K-means algorithm, (Devaraj and Roselyn 2011; Devaraj et al. 2002), and the Least Mean Squares (LMS) algorithm, (Dixit and Nagaria 2014; Adhikari and Fernando 2021), are utilized. Conversely, for ANN’s with MLP architecture, the Scaled Conjugate Gradient (SCG) algorithm, (Francis et al. 2013; Sajan et al. 2014; Easley et al. 2018; Sivasankari et al. 2013), the Backpropagation (BP) algorithm (Francis et al. 2013; Sajan et al. 2014; Kiannejad Amiri et al. 2023), are employed. All these methods are implemented using the tools provided by the MATLAB software package. Table 2 presents the compare final achievements of the literature.

3.3.3 ANN’s training

The ANN architecture used in this study includes seven input vectors, divided into two groups. The first group consists of key parameters for calculating the VSI, such as P, Q, V, R, and X, while the second group includes power factor (PF) and distance, which are crucial for the stability of the EDS. The characteristic data of the electrical feeders, presented in Table 5, are also part of the dataset used to train the ANN. Unlike conventional methods that compute VSI directly using mathematical formulas, in this study, the ANN is trained based on the behaviour of Equation (6), treating it as an optimization function.
To improve the accuracy of VSI estimation, two ANN architectures were compared: MLP and RBF networks, using different training algorithms:
  • BP Algorithm (Backpropagation): An iterative weight adjustment method that propagates errors backward in MLP networks.
  • SCG Algorithm (Scaled Conjugate Gradient): A conjugate gradient optimization technique that accelerates convergence in MLP networks.
  • RBF K-means Algorithm: An unsupervised clustering method used to determine optimal center locations in RBF networks.
  • RBF-LMS Algorithm (Least Mean Squares for RBF networks): An adaptive learning algorithm that minimizes the mean squared error in RBF networks.
The results presented in Table 3 compare the performance of these models in estimating VSI, analysing the relative error between actual and predicted values. Overall, RBF networks trained with K-means and LMS exhibit lower errors in most cases, whereas MLP networks trained with SCG or BP can provide more precise estimations for specific nodes. This suggests that there is no universally superior model, and the optimal algorithm should be selected based on the specific characteristics of the electrical system under analysis.
Table 3
Assessment of the results of the NNAs according to VSI
 
Nodes
VSI
RBF K-means
Error RBF K-means
RBF-LMS
Error RBF-LMS
MLP-SCG
Error MLP-SCG
MLP-BP
Error MLP-BP
Electric Feeder N#1
1
N#1
0.80800
0.81176
0.00373
0.80910
0.00104
0.88070
0.07266
0.80910
0.00107
2
N#2
1.00000
0.99957
−0.00043
1.00120
0.00120
0.99220
−0.00785
1.00119
0.00119
3
N#3
0.82080
0.81855
−0.00228
0.82020
−0.00060
0.80920
−0.01159
0.82021
−0.00062
4
N#4
0.01390
0.03435
0.02040
0.01650
0.00259
0.01130
−0.00265
0.01655
0.00260
5
N#5
0.01530
0.00541
−0.00987
0.01640
0.00115
0.00820
−0.00704
0.01644
0.00116
6
N#7
0.00360
−0.01140
−0.01501
0.00510
0.00154
0.00820
0.00460
0.00516
0.00155
7
N#8
0.00130
−0.00596
−0.00730
0.00230
0.00093
0.00790
0.00661
0.00226
0.00093
8
N#9
0.01820
0.01547
−0.00274
0.01760
−0.00059
0.01460
−0.00366
0.01762
−0.00059
9
N#11
0.01740
−0.01107
−0.02846
0.01560
−0.00184
0.01510
−0.00225
0.01556
−0.00183
10
N#14
0.00700
0.03580
0.02881
0.00600
−0.00102
0.01300
0.00601
0.00597
−0.00102
11
N#17
0.01600
0.03206
0.01609
0.01810
0.00214
0.01120
−0.00472
0.01812
0.00215
12
N#28
0.00180
−0.00483
−0.00664
0.00260
0.00078
0.00800
0.00616
0.00258
0.00077
Electric Feeder N#2
1
N#1
1.00000
0.99705
−0.00295
0.99620
−0.00376
0.97670
−0.02325
0.99624
−0.00376
2
N#3
0.73920
0.74024
0.00102
0.74240
0.00320
0.7310
−0.00823
0.74237
0.00315
3
N#5
0.07140
0.04676
−0.02468
0.07140
−0.00004
0.07840
0.00695
0.07140
−0.00004
4
N#6
0.00530
0.01003
0.00471
0.00860
0.00332
0.03060
0.02526
0.00903
0.00371
5
N#7
0.00000
0.01003
0.00999
0.00860
0.00861
0.00580
0.00579
0.00903
0.00900
6
N#13
0.01850
0.01762
−0.00090
0.00860
−0.00988
0.01500
−0.00355
0.00903
−0.00949
7
N#16
0.00180
0.01848
0.01667
0.00870
0.00686
0.02140
0.01957
0.00905
0.00724
8
N#18
0.00850
0.01053
0.00202
0.00860
0.00014
0.01550
0.00696
0.00903
0.00052
9
N#23
0.01430
0.01003
−0.00429
0.00860
−0.00567
0.01470
0.00041
0.00903
−0.00529
10
N#28
0.00070
0.01003
0.00929
0.00860
0.00791
0.00740
0.00663
0.00903
0.00829
11
N#29
0.00280
0.01003
0.00720
0.00860
0.00582
0.00450
0.00169
0.00903
0.00620
12
N#34
0.00900
0.01003
0.00106
0.00860
−0.00032
0.00360
−0.00536
0.00903
0.00006
13
N#42
0.01620
0.01003
−0.00617
0.00860
−0.00755
0.01800
0.00178
0.00903
−0.00717
14
N#45
0.01790
0.01003
−0.00785
0.00860
−0.00923
0.01470
−0.00320
0.00903
−0.00884
It is essential to emphasize that this study does not aim to determine the best neural network architecture in general terms, but rather to identify the most suitable model for accurate VSI estimation. The literature review supports the use of MLP and RBF architectures in voltage stability studies due to their effectiveness in predicting electrical indices. While more advanced models, such as Convolutional Neural Networks (CNNs), have been successfully applied in classification and image processing tasks, their application to numerical datasets in power systems is not the most efficient approach. However, future research could explore hybrid models to assess potential additional benefits.
To evaluate the performance of ANNs, the Mean Squared Error (MSE) index is commonly employed (Sajan et al. 2014; Shukla et al. 2016; Chang et al. 2023). This index provides a measure of the discrepancy between the values predicted by the network and the actual values, thus enabling a quantitative evaluation of the ANN’s performance in the specific tasks for which they were designed and trained. The MSE is calculated as follows:
$$MSE=\frac{1}{n}{\sum }_{i=1}^{n}({A}_{i}-{B}_{i}{)}^{2}$$
(12)
Where:
\({A}_{i}\) and \({B}_{i}\) are the actual and predicted values respectively.
\(n\) is the number of training data samples.
The methodological process begins with the characterization of the EDS of Manabí. The VSI is calculated based on previously validated mathematical models, represented in Equations (3) to (7). These equations provide the analytical foundation for determining VSI at the system’s nodes, enabling a rigorous stability assessment.
To optimize VSI estimation and reduce the computational burden of conventional methods, an ANN was implemented. The ANN learns to emulate the behaviour of VSI based on data generated from analytical models. A dataset of over 5000 input vectors was constructed, covering various operating scenarios of the system. These ANNs provide a precise and detailed assessment of the system’s stability, facilitating the identification of areas for improvement and potential risks.
Simultaneously, potential nodes for the inclusion of PV systems are identified, considering factors such as available infrastructure and the specific energy needs of the region. The availability of physical space for PV system installation at the selected nodes is analysed to ensure effective implementation. Finally, a system stability analysis is conducted to validate the VSI values determined by the ANN. During this phase, the response of the nodes to PV integration is evaluated, identifying potential critical nodes. This structured approach ensures a comprehensive and optimized assessment of voltage stability and its practical application.
The methodology of this work is summarized in the flowchart described in Fig 7, which offers an overview of the fundamental steps and processes undertaken in this research.
Fig. 7
Flow chart methodology
Full size image

4 Results

The simulations and analyses in this study were conducted using MATLAB for the development and training of ANNs (MLP and RBF), optimizing their configurations to accurately estimate VSI values. Additionally, CYMDIST was employed for voltage stability analysis and validation of the ANN results. The ANN models were trained using real operational data from the EDS of Manabí, ensuring a robust and reliable estimation process.

4.1 ANN

To ensure the reliability of VSI predictions, various strategies were implemented to prevent overfitting in the ANNs. In this study, over 5000 input vectors were used, consisting of key electrical parameters (P, Q, V, R, X, PF, and distance), ensuring a robust and generalizable training process.
A typical ANN structure was implemented, with seven neurons in the input layer and one in the output layer. The architecture was specifically adjusted for each type of neural network:
  • RBF- A single hidden layer with 10 neurons was used, optimizing the number of radial basis function centers to prevent overfitting.
  • MLP- A two-hidden-layer structure with 10 neurons per layer was adopted, providing greater representation capacity while maintaining generalization.
During the process of determining the optimal number of neurons in the hidden layers, configurations ranging from 5 to 25 neurons were tested. After analysing the results, it was found that 10 neurons in the hidden layers provided optimal learning, enhancing the networks’ ability to identify and generalize patterns in the input data, improving both efficiency and predictive accuracy.
To further enhance generalization and mitigate overfitting, several strategies were applied. Data division for training, validation, and testing was carefully structured to prevent the networks from memorizing training patterns. The RBF network was trained with 80% of the data, using 10% for validation and 10% for testing, while the MLP network was trained with 70% of the data, reserving 15% for validation and 15% for testing. This approach ensured proper model evaluation across different datasets and improved generalization.
Additionally, input data normalization was performed before training to ensure that all electrical parameters were on the same scale. This step reduced bias and improved model stability, making the learning process more efficient.
An early stopping criterion was also implemented, where validation error was continuously monitored. Training was halted when signs of overfitting appeared, preventing unnecessary iterations that could degrade the network’s ability to generalize.
Finally, MSE evaluation was conducted for training, validation, and testing sets. This allowed for a comprehensive assessment of model performance, ensuring that no significant discrepancies occurred between datasets and that the network maintained a stable and reliable predictive capability.
The MLP and RBF architectures were evaluated with different training algorithms to determine the most suitable combination for VSI estimation in the EDS. The optimal network and training algorithm were selected based on accuracy and generalization capability. Below, a pseudo-code outlines the pre-processing, configuration, training, and evaluation process of the model.
Algorithm: Training Process of ANN Models
Full size image
The selected RBF and MLP networks were trained by adjusting the network weights to minimize prediction errors using MATLAB software. The ANNs developed are specifically designed to calculate the VSI index of each node. The selection and configuration of the networks have enabled us to obtain accurate and meaningful results, which can be used to evaluate and improve the stability of the power system.
Table 4 shows a comparative analysis of the errors presented by each ANN when determining the VSI corresponding to the most relevant nodes of the electrical feeders.
Table 4
Criteria for stability analysis
 
With PV
Without PV
Minimum Load Increase
Maximum Load Increase
Overvoltage
105%
105%
1%
10%
Undervoltage
95%
95%
Based on the results of the evaluated models and the VSI performance values, the MLP with SCG training algorithm shows the best prediction accuracy with a remarkably low MSE of 5.6231E-05, suggesting high stability in its performance. The MLP with BP exhibits a higher MSE of 7.7113E-03 compared with MLP with SCG, indicating reasonably good prediction accuracy, although with slightly lower stability. On the other hand, the RBF with LMS shows an extremely low MSE of 1.9259E-05, indicating high prediction accuracy. Although this value is very close to zero, it could indicate an unreliable result. The RBFs with both K-Means and LMS show MSEs of 1.6310E-04 and 1.9259E-05 respectively, suggesting a generally lower prediction accuracy compared to MLPs. In addition, RBF with K-Means shows the lowest accuracy according to the data presented in Table 1. In summary, the MLP with SCG stands out due to its prediction accuracy and stability, while the MLP with BP offers an acceptable alternative if stability is prioritized over absolute accuracy.
Fig 8 shows the relative vulnerability of each node, considering the results of the evaluated models and the VSI values obtained in the Manabí ESD. In this context, a VSI value close to 0 indicates a weaker or more vulnerable node in terms of voltage stability, while higher values suggest greater robustness in the corresponding node. Importantly, the MLP-SCG model shows more stable VSI values, indicating lower vulnerability in the nodes identified by the MLP networks. This observation is validated by the MLP models with SCG over the RBF models in terms of the ability to identify nodes with weaknesses in the Manabí ESD. In summary, VSI values provide a measure that evaluates the models, improving prediction accuracy. Therefore, nodes with VSI values lower than 1 present greater susceptibility to electrical voltage instabilities. It is critical to estimate VSI values by SCG MLPs, as these nodes could experience variations with voltage fluctuations and imbalances, potentially compromising the operability and reliability of the power system.
Fig. 8
Comparison of VSI calculated by ANN’s for EDS Nodes (A) Electric Feeder N#1 (B) Electric Feeder N#2
Full size image

4.2 Voltage stability index and validation

The nodes were evaluated using results from ANNs, considering the specific characteristics of the electrical feeders. In feeder N#1, only nodes N#1 and N#4 were considered, excluding node N#3 due to its proximity to other nodes. For feeder N#2, nodes N#1, N#5, and N#7 were selected based on their importance in terms of load, available physical space, and distance from the substation (Table 6). The ANN results were validated using CYMDIST software (B et al. 2023), providing a comprehensive assessment of both system stability and key geographical factors for PV implementation. Additionally, the real database of the Manabí EDS was employed to ensure result accuracy.
Although PV systems connected to DSGs are variable generation sources, in stability analyses they are treated under N+1 and N-1 contingency scenarios, reflecting the EDS’s susceptibility to voltage fluctuations as these intermittent generation sources enter or leave the system. The proposed approach for evaluating static voltage stability follows the validation processes suggested by P. Singh, S. K. Parida, B. Chauhan and N. Choudhary,"Online Voltage Stability Assessment Using Artificial Neural Network considering Voltage stability indices,"(2020); Failed 2011), using two case studies: in Case A, distributed generation is prioritized, while in Case B, maximum generation is concentrated at a single node.
In Case A, the maximum capacity required by the feeders is distributed among the selected nodes, while in Case B, maximum generation is concentrated at a single node in each feeder, assessing its impact on the other nodes. The specifications of the PV systems connected to nodes in feeders N#1 and N#2, along with the required physical space for each scenario, are shown in Table 5, considering photovoltaic panels available in the Ecuadorian market. The technical criteria used for the stability analysis are detailed in Table 6.

4.2.1 Case A

The analysis of feeder N#1, with PV distribution at nodes N#1 and N#4, shows a significant increase in generation capacity following the insertion of PV. At node N#4, a CVP of 8,454 kW is detected in its base state, while with PV insertion, this threshold rises to 9,163 kW, representing an increase of 709 kW or 7.74%. This change is reflected in Fig 9(a), which illustrates the impact of PV on the Maximum allowable saturation capacity at the node. Additionally, a slight voltage increase is observed at both nodes: 0.12% at node N#1 and 0.33% at node N#4, as documented in Fig 10(a). These results suggest a direct correlation between PV generation and voltage increase, improving overall system stability.
Fig. 9
Maximum Allowable Saturation Capacities for Case Studies A and B
Full size image
Fig. 10
Voltage stability curves with maximum PV capacity distributed in nodes of electric feeders N#1 and N#2
Full size image
In feeder N#2, where PV systems are distributed at nodes N#1, N#5, and N#7, significant CVP values are observed at nodes N#5 and N#7. At node N#5, the CVP increases from 14,810 kW without PV to 15,730 kW with PV, representing a difference of 920 kW or 5.85%. At node N#7, the CVP increases from 12,310 kW without PV to 14,050 kW with PV, representing an increase of 1,740 kW or 12.4%. These changes in the maximum allowable saturation capacity are depicted in Fig 9(b). Additionally, voltage increases of 0.05%, 0.37%, and 0.74% at nodes N#1, N#5, and N#7, respectively, are shown in Fig 10(b). However, nodes N#5 and N#7 exhibit greater vulnerability to reaching CVP with load variations or PV insertion, posing a risk to system stability.

4.2.2 Case B

In the detailed voltage stability analysis of Case B, the progressive insertion of maximum generation capacity at each node is observed. In feeder N#1, with PV penetration at nodes N#1 and N#4, node N#1 does not exhibit any CVP under the analysed scenarios, whereas at node N#4, a CVP is observed starting at 8,714 kW with PV compared to 8,474 kW without PV, representing an increase of 240 kW or 2.75%. These results, in addition to being reflected in Fig 10(a), are also illustrated in Fig 8(b), where maximum allowable saturation capacities are compared with and without PV.
When the second scenario is analysed, with the maximum PV generation located at node N#4, node N#1 continues without presenting CVP, but at node N#4, an increase in CVP from 8,484 kW without PV to 9,633 kW with PV is registered, representing an increase of 1,149 kW or 11.93%. This behaviour is depicted in Figs 11(b) and 9(b), where the impacts of PV insertion on both saturation capacity and voltage stability are presented. This analysis shows that the farther the node is from the supply source, the greater the voltage variations due to PV insertion, increasing the system’s sensitivity to generation fluctuations.
Fig. 11
Voltage stability curve with 100% generation at feeder N#1 nodes
Full size image
The behaviour observed in feeder N#2 follows a similar trend to that of N#1, as shown in Figs 9(b) and 11. In Fig 9(b), it is observed that nodes N#5 and N#7 exhibit significantly different CVP values with and without PV insertion. Node N#5, without PV, presents a CVP of 14,810 kW, while with PV insertion, this value increases to 15,730 kW, representing an increase of 920 kW or 5.85%. At node N#7, the CVP without PV is 12,310 kW, but with PV, this value increases to 14,050 kW, representing an increase of 1,740 kW or 12.4%.
Figs 12(a)-(c) provide a more detailed analysis of voltage stability in feeder N#2 with different PV placement scenarios. When maximum PV generation is concentrated at node N#1, no CVP is observed at this node, but CVP values appear at nodes N#5 and N#7. At node N#5, the CVP increases from 14,810 kW without PV to 15,750 kW with PV, representing an increase of 940 kW or 5.97%. At node N#7, the CVP increases from 12,290 kW without PV to 14,010 kW with PV, representing an increase of 1,720 kW or 12.27%, as shown in Fig 12(a).
Fig. 12
Voltage stability curve with 100% generation at feeder node No. 2
Full size image
Additionally, when maximum PV generation is placed at node N#5, the CVP at this node starts at 14,810 kW without PV and rises to 16,080 kW with PV, representing an increase of 1,270 kW or 7.9%. This increase also affects node N#7, where the CVP increases from 12,290 kW without PV to 13,540 kW with PV, representing an increase of 1,250 kW or 9.23% (Fig 12(b)). In the final scenario, when PV generation is concentrated at node N#7, the CVP at node N#5 increases from 14,810 kW without PV to 16,140 kW with PV, representing an increase of 1,133 kW or 8.24%. This influence also affects node N#7, where the CVP increases from 12,290 kW without PV to 15,800 kW with PV, representing a difference of 3,510 kW or 22.22% (Fig 12(c)).
When comparing Cases A and B, it is concluded that Case A has a lower impact in terms of voltage variations, as observed in Figs 9 and 10, suggesting that distributed PV insertion in distribution systems allows for more effective management of voltage fluctuations. However, Case B, analysed in Figs 11 and 12, reveals that the concentration of PV generation at specific nodes can generate greater instability, especially in nodes distant from the main supply source.
The approach used in this study allows for the quick identification of nodes with VSI values close to zero, indicating robust stability and minimizing the analysis time for nodes that do not require immediate intervention. By prioritizing nodes with significant VSI values, more efficient and rapid management of critical points in the grid is achieved, improving the system’s ability to absorb PV generation without compromising stability.

5 Conclusions

The identification of nodes with CVP presence and the observation of increased PV penetration highlight the importance of planning the integration of DG into electrical systems, emphasizing the need to consider factors such as geographic location and load capacity of these systems.
Utilizing real data from the EDS of Manabí has enabled a comprehensive analysis of the impact of electricity generation through intermittent PV on voltage stability in electrical systems. This research identified critical nodes where CVP was observed, highlighting the importance of a precise strategy for PV systems location to maintain power system stability.
The application of an ANN based on MLP architecture and trained with the SCG algorithm has proven to be a robust and effective tool for calculating VSI in power systems, achieving a remarkably low MSE of 5.6231E-05. This combination of learning and training techniques with algorithms provides accurate and reliable assessments of voltage stability at power grid nodes, showcasing its utility in strategic decision-making for power system planning and operation.
The VSIs determined with ANN are accurate and reliable, as evidenced by the voltage stability study on node behaviour under different types of contingencies. These results are important for planning and operating power systems with distributed PV generation, offering valuable insights into how the location of PV systems can influence voltage stability at the nodes. This is crucial for decision making on the planning and operation power system with PV.
A detailed examination of case studies A and B highlights that case A exhibits a Maximum voltage variation of 0.56%, while case B shows an increase of up to 1.6%. These findings show the importance of distributed PV insertion in the EDS to mitigate voltage fluctuations, particularly in case A.

Acknowledgments

The authors acknowledge the support provided by the Thematic Network 723RT0150 ‘‘Red para la integración a gran escala de energías renovables en sistemas eléctricos (RIBIERSE-CYTED)’’ financed by the call for Thematic Networks of the CYTED (Ibero-American Program of Science and Technology for Development) for 2023.
Open Access This article is licensed under a Creative Commons Attribution 4.0 International License, which permits use, sharing, adaptation, distribution and reproduction in any medium or format, as long as you give appropriate credit to the original author(s) and the source, provide a link to the Creative Commons licence, and indicate if changes were made. The images or other third party material in this article are included in the article’s Creative Commons licence, unless indicated otherwise in a credit line to the material. If material is not included in the article’s Creative Commons licence and your intended use is not permitted by statutory regulation or exceeds the permitted use, you will need to obtain permission directly from the copyright holder. To view a copy of this licence, visit http://creativecommons.org/licenses/by/4.0/.

Publisher's Note

Springer Nature remains neutral with regard to jurisdictional claims in published maps and institutional affiliations.
Title
Analysis of photovoltaic penetration on voltage stability in the electrical distribution system of manabí using neural networks: a practical case study approach
Authors
Ney R. Balderramo
Lucio A. Valarezo
A. Cano
Andrés M. Salas
F. Jurado
Publication date
31-10-2025
Publisher
Springer Berlin Heidelberg
Published in
Soft Computing / Issue 23-24/2025
Print ISSN: 1432-7643
Electronic ISSN: 1433-7479
DOI
https://doi.org/10.1007/s00500-025-10887-3

Appendix

See. Tables 5 and 6.
Table 5
Characteristics of the most relevant ESD nodes in Bahía de Caráquez/Manabí
Electric Feeder N#1
 
km
kVA
kW
kVAr
Vp.u
PF
X1/R1
X1(Ω)
X2(Ω)
X0(Ω)
R1(Ω)
R2(Ω)
R0(Ω)
Node N#1
0
1,061
1,019
293
0.9830
0.9600
3.900
2.7954
2.7954
0.5180
0.7170
0.7170
0.0008
Node N#2
2
903
874
228
0.9800
0.9670
3.2900
3.7087
3.7087
2.7980
1.1281
1.1280
0.8888
Node N#3
2.6
820
798
190
0.9790
0.9720
3.1800
3.9530
3.9530
3.4469
1.2424
1.2420
1.1445
Node N#4
3.6
269
267
33
0.9780
0.9920
3.0300
4.4076
4.4076
4.6560
1.4552
1.4550
1.6203
Node N#5
4.7
176
172
39
0.9780
0.9750
2.7500
4.6097
4.6097
5.7074
1.6749
1.6750
3.1812
Node N#7
5.2
126
123
30
0.9780
0.9700
2.7100
4.6404
4.6404
5.8872
1.7132
1.7130
3.4711
Node N#8
5.6
42
38
18
0.9780
0.9040
2.6200
4.7052
4.7052
6.2671
1.7941
1.7940
4.0834
Node N#9
1.5
4
3.6
1.7
0.9920
0.8990
3.4000
3.4870
3.4870
2.2746
1.0244
1.0240
0.7266
Node N#11
1.3
10.1
9.8
2.5
0.9830
0.9690
3.3400
2.9965
2.9965
2.9965
0.8981
0.8980
0.8981
Node N#14
2.1
29
26
13
0.980
0.8980
3.1800
3.7625
3.7625
3.0224
1.1821
1.1820
0.9640
Node N#17
3.7
5
5.0
3
0.9780
0.8700
3.0200
4.4491
4.4491
4.7662
1.4746
1.4750
1.6637
Node N#28
5.7
39
35
17
0.9780
0.8930
2.6100
4.7159
4.7159
6.3302
1.8075
1.8080
4.1851
Electric Feeder N#2
 
km
kVA
kW
kVAr
Vp.u
PF
X1/R1
X1(Ω)
X2(Ω)
X0(Ω)
R1(Ω)
R2(Ω)
R0(Ω)
Node N#1
0
1,323
1,263
394
0.9880
0.9540
3.8800
2.8871
2.8871
0.6102
0.7432
0.7430
0.0268
Node N#3
1.4
849
811
250
0.9850
0.9550
3.2300
3.8282
3.8282
3.1115
1.1835
1.1840
1.0116
Node N#5
3.3
330
318
90
0.9830
0.9620
3.0700
4.2669
4.2669
4.2780
1.3887
1.3890
1.4705
Node N#6
5.4
145
140
35
0.9820
0.9690
2.3200
5.2161
5.2161
8.1950
2.2499
2.2500
2.7153
Node N#7
8.8
72
69
18
0.9820
0.9520
2.2800
6.6714
6.6714
12.061
2.9308
2.9310
4.2383
Node N#13
3.4
11
10
4
0.9830
0.9420
3.0600
4.3000
4.3000
4.4226
1.4042
1.4040
1.4998
Node N#16
3.8
77
73
23
0.9830
0.9550
3.0000
4.5008
4.5008
4.9002
1.4982
1.4980
1.7153
Node N#18
4.5
39
37
12
0.9830
0.9520
2.9400
4.7682
4.7682
6.0667
1.6233
1.6230
1.9515
Node N#23
6
20
19
5
0.9820
0.9550
2.2000
5.4595
5.4595
9.2175
2.4761
2.4760
3.0378
Node N#28
11
39
37.8
9.6
0.9690
0.9690
2.0600
10.230
10.230
10.230
4.9586
4.9590
4.9586
Node N#29
11
25.8
24.6
7.9
0.9700
0.9520
2.1000
10.766
10.766
10.766
5.1267
5.1270
5.1267
Node N#34
12
14.9
14.2
4.6
0.9700
0.9520
2.0900
10.843
10.843
10.843
5.1989
5.1990
5.1989
Node N#42
15
4.6
4.4
1.4
0.9690
0.9530
1.6200
14.470
14.470
14.470
8.9430
8.9430
8.9430
Node N#45
13
4.3
4.2
1.2
0.9690
0.9600
1.7500
12.620
12.620
12.620
7.2045
7.2050
7.2045
Table 6
Solar Systems Specifications
Scenarios
Electric Feeder N#1
Electric Feeder N#2
Installed capacity in a single Node
Maximum capacity distributed in Nodes N#1 and N#4
Installed capacity in a single Node
Maximum capacity distributed in nodes N#1, N#5 and N#7
Maximum installation capacity
1.025 kWp
520 kWp at each Node
1.280 kWp
427 kWp
Total number of modules to install
2.050 x Trina Solar Energy TSM-500DE18M(II) (Vertex)
1040 x Trina Solar Energy TSM-500DE18M(II) (Vertex) at each Node
2,560 x Trina Solar Energy TSM-500DE18M(II) (Vertex)
854 x Trina Solar Energy TSM-500DE18M(II) (Vertex) at each Node
Nominal AC Power of Photovoltaic Inverters
1.020 kW
510 kW at each Node
1.264 kW
422 kW at each Node
Required Physical Space
4940.5 m2
2506.4 m2 at each Node
6169.6 m2
2.059 m2 at each Node
go back to reference Abbass MJ, Lis R, Mushtaq Z (2023) Artificial neural network (ANN)-based voltage stability prediction of test microgrid grid. IEEE Access 11:58994–59001. https://doi.org/10.1109/ACCESS.2023.3284545CrossRef
go back to reference Abdolrasol MGM et al (2021) Artificial neural networks based optimization techniques: a review. Electronics 10(21):2689. https://doi.org/10.3390/electronics10212689CrossRef
go back to reference Adhikari B, Fernando XN (2021) A Neural Network Based Recursive Least Square Multilateration Technique for Indoor Positioning. 2021 IEEE 26th International Workshop on Computer Aided Modeling and Design of Communication Links and Networks (CAMAD). IEEE, pp 1–6. https://doi.org/10.1109/CAMAD52502.2021.9617769CrossRef
go back to reference Alizadeh S, Mahdavian M, Ganji E (2023) Optimal placement and sizing of photovoltaic power plants in power grid considering multi-objective optimization using evolutionary algorithms. J Electr Syst Inf Technol 10(1):7. https://doi.org/10.1186/s43067-023-00073-6CrossRef
go back to reference Alqaisi W, El-Bayeh CZ (2022) Adaptive Control Based on Radial Base Function Neural Network Approximation for Quadrotor. In: 2022 17th Annual System of Systems Engineering Conference, SOSE 2022. Institute of Electrical and Electronics Engineers Inc, pp. 214–219. https://doi.org/10.1109/SOSE55472.2022.9812660
go back to reference Alzaareer K, Saad M, Mehrjerdi H, Lefebvre S, Asber D (2020) Top-Down/Bottom-Up Method for Identifying a Set of Voltage Stability Preventive Controls. In: 2020 International Conference on Technology and Policy in Energy and Electric Power (ICT-PEP). IEEE, pp. 339–343. https://doi.org/10.1109/ICT-PEP50916.2020.9249938
go back to reference Aman MM, Jasmon GB, Bakar AHA, Mokhlis H (2013) A new approach for optimum DG placement and sizing based on voltage stability maximization and minimization of power losses. Energy Convers Manag 70:202–210. https://doi.org/10.1016/J.ENCONMAN.2013.02.015CrossRef
go back to reference Vélez NR, Cano A, Jurado F, Pérez-Rodríguez JA, Albuerne YE (2023) Penetrating PV sources in the electrical distribution system of Manabí province Ecuador using B/FS and ANN. Electr Power Syst Res 225:109886. https://doi.org/10.1016/j.epsr.2023.109886CrossRef
go back to reference Bulac C, Tristiu I, Mandis A, Toma L (2015) On-line power systems voltage stability monitoring using artificial neural networks. 2015 9th International Symposium on Advanced Topics in Electrical Engineering (ATEE). IEEE, pp 622–625. https://doi.org/10.1109/ATEE.2015.7133884CrossRef
go back to reference Calma ERB, Pacis MC (2021) Artificial Neural Network-based Voltage Stability Analysis of Power Transmission Networks with Distributed Generation using Phasor Measurement Unit Synthetic Data. In 2021 IEEE 12th Control and System Graduate Research Colloquium, ICSGRC 2021 – Proceedings. Institute of Electrical and Electronics Engineers Inc, pp. 1–6. https://doi.org/10.1109/ICSGRC53186.2021.9515237
go back to reference Chakraborty K, De A, Chakrabarti A (2012) Voltage stability assessment in power network using self organizing feature map and radial basis function. Comput Electr Eng 38(4):819–826. https://doi.org/10.1016/j.compeleceng.2012.03.012CrossRef
go back to reference Chang M, Cha J, Jang G (2023) Static synchronous compensator control strategy using voltage sensitivity. IFAC-PapersOnLine 56(2):447–450. https://doi.org/10.1016/j.ifacol.2023.10.1608CrossRef
go back to reference Chatterjee A, Saha J, Mukherjee J (2022) Clustering with multi-layered perceptron. Pattern Recognit Lett 155:92–99. https://doi.org/10.1016/j.patrec.2022.02.009CrossRef
go back to reference Dai Y, Wu Q, Zhang Y (2024) Generalized sparse radial basis function networks for multi-classification problems. Appl Soft Comput. https://doi.org/10.1016/j.asoc.2024.111361CrossRef
go back to reference Deb G, Chakraborty K, Deb S (2017) Voltage stability analysis using reactive power loading as indicator and its improvement by FACTS device, 1st IEEE International Conference on Power Electronics. Intelligent Control and Energy Systems, ICPEICES 2016, https://doi.org/10.1109/ICPEICES.2016.7853108
go back to reference Devaraj D, Yegnanarayana B, Ramar K Radial basis function networks for fast contingency ranking. www.elsevier.com/locate/ijepes
go back to reference Devaraj D, Roselyn JP (2011) On-line voltage stability assessment using radial basis function network model with reduced input features. Int J Electr Power Energy Syst 33(9):1550–1555. https://doi.org/10.1016/j.ijepes.2011.06.008CrossRef
go back to reference Ding S, Li R, Tao Z (2021) A novel adaptive discrete grey model with time-varying parameters for long-term photovoltaic power generation forecasting. Energy Convers Manage 227:113644. https://doi.org/10.1016/j.enconman.2020.113644CrossRef
go back to reference Dixit S, Nagaria D (2014) Neural network implementation of Least-Mean-Square adaptive noise cancellation. In 2014 International Conference on Issues and Challenges in Intelligent Computing Techniques (ICICT). IEEE, pp. 134–139. https://doi.org/10.1109/ICICICT.2014.6781266
go back to reference Dozein MG, Ansari J, Soleymanifar M, Zafari L (2015) An observability based monitoring scheme for voltage stability margin: A practical system case study. In 2015 20th Conference on Electrical Power Distribution Networks Conference (EPDC). IEEE, pp. 42–47. https://doi.org/10.1109/EPDC.2015.7330471
go back to reference Easley M, Haney L, Paul J, Fowler K, Wu H (2018) Deep neural networks for short-term load forecasting in ERCOT system. In 2018 IEEE Texas Power and Energy Conference (TPEC). IEEE, pp. 1–6. https://doi.org/10.1109/TPEC.2018.8312073
go back to reference Kayal P, Chanda S, Chanda CK (2011) An ANN based network reconfiguration approach for voltage stability improvement of distribution network. 2011 International Conference on Power and Energy Systems. Chennai, India, pp. 1-7, https://doi.org/10.1109/ICPES.2011.6156643
go back to reference Francis A, Joseph T, Salim L (2013) Preprocessing and training effects in voltage stability assessment using neural networks. In 2013 International Mutli-Conference on Automation, Computing, Communication, Control and Compressed Sensing (iMac4s). IEEE, pp. 178–183. https://doi.org/10.1109/iMac4s.2013.6526404
go back to reference García Nieto PJ, García-Gonzalo E, Paredes-Sánchez BM, Paredes-Sánchez JP (2023) Modelling energy performance of residential dwellings by using the MARS technique, SVM-based approach, MLP neural network and M5 model tree. Appl Energy. https://doi.org/10.1016/j.apenergy.2023.121074CrossRef
go back to reference Gong L, Wang X, Tian M, Yao H, Long J (2022) Multi-objective optimal planning for distribution network considering the uncertainty of PV power and line-switch state. Sensors 22(13):4927. https://doi.org/10.3390/s22134927CrossRef
go back to reference Gonzalez JW, Isaac IA, Lopez GJ, Cardona HA, Salazar GJ, Rincon JM (2019) Radial basis function for fast voltage stability assessment using phasor measurement units. Heliyon. https://doi.org/10.1016/j.heliyon.2019.e02704CrossRef
go back to reference Haider W, Ul Hassan SJ, Mehdi A, Hussain A, Adjayeng GOM, Kim CH (2021) Voltage profile enhancement and loss minimization using optimal placement and sizing of distributed generation in reconfigured network. Machines 9(1):1–16. https://doi.org/10.3390/machines9010020CrossRef
go back to reference Heydari A et al (2021) A combined fuzzy GMDH neural network and grey wolf optimization application for wind turbine power production forecasting considering SCADA data. Energies 14(12):3459. https://doi.org/10.3390/en14123459CrossRef
go back to reference Hong YY, Rioflorido CLPP (2019) A hybrid deep learning-based neural network for 24-h ahead wind power forecasting. Appl Energy 250:530–539. https://doi.org/10.1016/j.apenergy.2019.05.044CrossRef
go back to reference Hu X, Liu ZW, Wen G, Yu X, Liu C (2020) Voltage control for distribution networks via coordinated regulation of active and reactive power of DGs. IEEE Trans Smart Grid 11(5):4017–4031. https://doi.org/10.1109/TSG.2020.2989828CrossRef
go back to reference Ibrahim MH, Ang SP, Dani MN, Petra R, Salam MA (2023) Voltage stability assessment for solar photovoltaic penetration using reactive power-voltage and active power-voltage modal analysis. Energy Rep 9:486–493. https://doi.org/10.1016/j.egyr.2023.05.124CrossRef
go back to reference Innah H, Hiyama T (2011) “Neural network method based on PMU data for voltage stability assessment and visualization”, in TENCON 2011–2011 IEEE Region 10 Conference. IEEE. https://doi.org/10.1109/TENCON.2011.6129225CrossRef
go back to reference Khan MT et al (2023) Optimal placement of multiple distributed generators using a novel voltage stability indicator employing arithmetic optimization algorithm. Comput Electr Eng 110:108853. https://doi.org/10.1016/j.compeleceng.2023.108853CrossRef
go back to reference Kiannejad Amiri M et al (2023) Multi-objective optimization of thermophysical properties GO powders-DW/EG Nf by RSM, NSGA-II, ANN, MLP and ML. Energy. https://doi.org/10.1016/j.energy.2023.128176CrossRef
go back to reference Kong L, Yu J, Cai G (2019) Modeling, control and simulation of a photovoltaic /hydrogen/ supercapacitor hybrid power generation system for grid-connected applications. Int J Hydrogen Energy 44(46):25129–25144. https://doi.org/10.1016/j.ijhydene.2019.05.097CrossRef
go back to reference Kumar Tatikayala V, Dixit S (2023) Multi-stage voltage control in high photovoltaic based distributed generation penetrated distribution system considering smart inverter reactive power capability. Ain Shams Eng J. https://doi.org/10.1016/j.asej.2023.102265CrossRef
go back to reference Li LL, Wen SY, Tseng ML, Wang CS (2019a) Renewable energy prediction: a novel short-term prediction model of photovoltaic output power. J Clean Prod 228:359–375. https://doi.org/10.1016/j.jclepro.2019.04.331CrossRef
go back to reference Li N, He F, Ma W (2019b) Wind power prediction based on extreme learning machine with kernel mean p-power error loss. Energies (Basel) 12(4):1–19. https://doi.org/10.3390/en12040673CrossRef
go back to reference Lim ZJ, Mustafa MW, Bt Muda Z (2012) Evaluation of the effectiveness of voltage stability indices on different loadings. 2012 IEEE International Power Engineering and Optimization Conference, PEOCO 2012 - Conference Proceedings. pp. 543–547. https://doi.org/10.1109/PEOCO.2012.6230925
go back to reference Liu K, Sheng W, Wang S, Ding H, Huang J (2023) Stability of distribution network with large-scale PV penetration under off-grid operation. Energy Rep 9:1367–1376. https://doi.org/10.1016/j.egyr.2023.04.200CrossRef
go back to reference Luo X, Zhang D, Zhu X (2021) Deep learning based forecasting of photovoltaic power generation by incorporating domain knowledge. Energy. https://doi.org/10.1016/j.energy.2021.120240CrossRef
go back to reference Ma T, Yang H, Lu L, Peng J (2014) An optimization sizing model for solar photovoltaic power generation system with pumped storage. Energy Procedia. https://doi.org/10.1016/j.egypro.2014.11.892CrossRef
go back to reference Mahmud MA, Hossain MJ, Pota HR (2014) Voltage variation on distribution networks with distributed generation: worst case scenario. IEEE Syst J 8(4):1096–1103. https://doi.org/10.1109/JSYST.2013.2265176CrossRef
go back to reference Marugán AP, Márquez FPG, Perez JMP, Ruiz-Hernández D (2018) A survey of artificial neural network in wind energy systems. Appl Energy 228:1822–1836. https://doi.org/10.1016/j.apenergy.2018.07.084CrossRef
go back to reference Massignan JAD, Pereira BR, London JBA (2017) Load flow calculation with voltage regulators bidirectional mode and distributed generation. IEEE Trans Power Syst 32(2):1576–1577. https://doi.org/10.1109/TPWRS.2016.2576679CrossRef
go back to reference Mehta P, Bhatt P, Pandya V (2018) Optimal selection of distributed generating units and its placement for voltage stability enhancement and energy loss minimization. Ain Shams Eng J 9(2):187–201. https://doi.org/10.1016/j.asej.2015.10.009CrossRef
go back to reference Modarresi J, Gholipour E, Khodabakhshian A (2016) A comprehensive review of the voltage stability indices. Renew Sustain Energy Rev 63:1–12. https://doi.org/10.1016/j.rser.2016.05.010CrossRef
go back to reference Mohammad S et al (2022) An advanced short-term wind power forecasting framework based on the optimized deep neural network models. Electr Power Energy Syst 141:108143. https://doi.org/10.1016/j.ijepes.2022.108143CrossRef
go back to reference Montoya OD, Grisales-Noreña LF, Ramos-Paja CA (2022) Optimal allocation and sizing of PV generation units in distribution networks via the generalized normal distribution optimization approach. Computers 11(4):53. https://doi.org/10.3390/computers11040053CrossRef
go back to reference Singh P, Parida SK, Chauhan B, Choudhary N (2020) Online Voltage Stability Assessment Using Artificial Neural Network considering Voltage stability indices. 2020 21st National Power Systems Conference (NPSC). Gandhinagar, India, pp. 1-5. https://doi.org/10.1109/NPSC49263.2020.9331954
go back to reference Rahman S et al (2021) Analysis of power grid voltage stability with high penetration of solar PV systems. IEEE Trans Ind Appl 57(3):2245–2257. https://doi.org/10.1109/TIA.2021.3066326CrossRef
go back to reference Rahmani S, Rezaei-Zare A (2018) Under Voltage-Frequency Load Shedding in an Islanded Inverter-based Microgrid using Power Factor-based P-V curves. In: 2018 IEEE Electrical Power and Energy Conference, EPEC 2018. https://doi.org/10.1109/EPEC.2018.8598403.
go back to reference Rasheed MA, Verayiah R (2021) Investigation of optimal PV allocation to minimize system losses and improve voltage stability for distribution and transmission networks using MATLAB and DigSilent. Front Energy Res. https://doi.org/10.3389/fenrg.2021.695814CrossRef
go back to reference Saberian A, Hizam H, Radzi MAM, Ab Kadir MZA, Mirzaei M (2014) Modelling and prediction of photovoltaic power output using artificial neural networks. Int J Photoenergy. https://doi.org/10.1155/2014/469701CrossRef
go back to reference Said SM, Hartmann B, Aly MM, Mosa M, Balog RS (2018) Comparison between operating modes of distributed generation on voltage profile and stability of distribution systems. In 2018 IEEE Texas Power and Energy Conference (TPEC). IEEE, pp. 1–6. https://doi.org/10.1109/TPEC.2018.8312107
go back to reference Saidi AS (2022) Impact of grid-tied photovoltaic systems on voltage stability of Tunisian distribution networks using dynamic reactive power control. Ain Shams Eng J. https://doi.org/10.1016/j.asej.2021.06.023CrossRef
go back to reference Sajan KS, Tyagi B, Kumar V (2024) Genetic Algorithm based Artificial Neural Network model for Voltage Stability Monitoring. In: 2014 Eighteenth National Power Systems Conference (NPSC). Accessed 26 Feb 2024 https://doi.org/10.1109/NPSC.2014.7103798
go back to reference Schinke A, Erlich I (2018) Enhanced voltage and frequency stability for power systems with high penetration of distributed photovoltaic generation. IFAC-PapersOnLine. https://doi.org/10.1016/j.ifacol.2018.11.673CrossRef
go back to reference Scott C, Ahsan M, Albarbar A (2023) Machine learning for forecasting a photovoltaic (PV) generation system. Energy. https://doi.org/10.1016/j.energy.2023.127807CrossRef
go back to reference Shahir FM, Shirazi PS (2020) Monitoring of Voltage Stability Margin by Artificial Neural Network. In: 2020 IEEE-HYDCON. Hyderabad, India, pp. 1-4, https://doi.org/10.1109/HYDCON48903.2020.9242707
go back to reference Shi F, Wu J, Wang Y, Li L, Zheng Y (2023) Integrated advance assessment of power system transient voltage and transient angle stability based on two-stage ensemble spatio-temporal graph neural network. Measurement 221:113447. https://doi.org/10.1016/j.measurement.2023.113447CrossRef
go back to reference Shukla J, Panigrahi BK, Ray PK (2020) Stochastic reconfiguration of distribution system considering stability, correlated loads and renewable energy based DGs with varying penetration. Sustain Energy Grids Networks. https://doi.org/10.1016/j.segan.2020.100366CrossRef
go back to reference Shukla A, Verma K, Kumar R (2016) Online voltage stability monitoring of distribution system using optimized Support Vector Machine. In 2016 IEEE 6th International Conference on Power Systems (ICPS). IEEE, pp. 1–6. https://doi.org/10.1109/ICPES.2016.7584132
go back to reference Singh P, Parida SK, Chauhan B, Choudhary N (2020a) “Online voltage stability assessment using artificial neural network considering voltage stability indices”, 2020 21st National Power Systems Conference. NPSC. https://doi.org/10.1109/NPSC49263.2020.9331954CrossRef
go back to reference Singh P, Parida SK, Chauhan B, Choudhary N (2020) Online voltage stability assessment using artificial neural network considering voltage stability indices. In 2020 21st National Power Systems Conference, NPSC 2020. Institute of Electrical and Electronics Engineers Inc. https://doi.org/10.1109/NPSC49263.2020.9331954
go back to reference Sivasankari K, Thanushkodi K, Kalaivanan K (2013) Automated Seizure Detection Using Multilayer Feed Forward Network Trained Using Scaled Conjugate Gradient Method. https://doi.org/10.1016/S0921
go back to reference Subramani C, Jimoh AA, Kiran SH, Dash SS 2016 Artificial Neural Network based Voltage Stability Analysis in Power System. In: 2016 International Conference on Circuit, Power and Computing Technologies [ICCPCT]. https://doi.org/10.1109/ICCPCT.2016.7530255
go back to reference Tangi S, Gaonkar DN, Bhargav S (2021) Voltage Regulation of Smart Distribution Network using Sensitivity Analysis based DG placement. In: Proceedings of CONECCT 2021: 7th IEEE International Conference on Electronics. Computing and Communication Technologies, https://doi.org/10.1109/CONECCT52877.2021.9622727
go back to reference Varshney S, Srivastava L, Pandit M (2012) ANN based integrated security assessment of power system using parallel computing. Int J Electr Power Energy Syst 42(1):49–59. https://doi.org/10.1016/J.IJEPES.2012.03.016CrossRef
go back to reference Vieira RG, Dhimish M, de Araújo FMU, da Silva Guerra MI (2022) Comparing multilayer perceptron and probabilistic neural network for PV systems fault detection. Expert Syst Appl. https://doi.org/10.1016/j.eswa.2022.117248CrossRef
go back to reference Vineeth VV (2024) ANN based smart sensing of short-term voltage stability assessment of modern power system. Meas Sensors. https://doi.org/10.1016/j.measen.2023.101022CrossRef
go back to reference Wang Q et al (2020) Dynamic modeling and small signal stability analysis of distributed photovoltaic grid-connected system with large scale of panel level DC optimizers. Appl Energy 259:114132. https://doi.org/10.1016/j.apenergy.2019.114132CrossRef
go back to reference Zhu C, Shi L, Wu F, Lee KY, He W, Lin K, IFAC-PapersOnLine (2018) Capacity optimization of multi-types of distributed generators considering reliability. IFAC-PapersOnLine. https://doi.org/10.1016/j.ifacol.2018.11.668CrossRef

Premium Partner

    Image Credits
    Neuer Inhalt/© ITandMEDIA, Nagarro GmbH/© Nagarro GmbH, AvePoint Deutschland GmbH/© AvePoint Deutschland GmbH, AFB Gemeinnützige GmbH/© AFB Gemeinnützige GmbH, USU GmbH/© USU GmbH, Ferrari electronic AG/© Ferrari electronic AG