Skip to main content
Top

Model fluids substituting fresh UHPC mixtures flow behaviour

  • Open Access
  • 07-04-2023
  • Original
Published in:

Activate our intelligent search to find suitable subject content or patents.

search-config
loading …

Abstract

The article delves into the rheological behaviour of ultra-high-performance concrete (UHPC) mixtures and the challenges posed by inconsistencies in real-world applications. It introduces the concept of using model fluids to replicate the behaviour of UHPC, allowing for controlled experimental studies. The study focuses on finding suitable model fluids that exhibit similar rheological properties, including yield stress and plastic viscosity. The authors discuss various rheological models, such as the Bingham plastic fluid model and the Herschel-Bulkley model, to describe the flow behaviour of UHPC. The research highlights the importance of transparency in model fluids for visual monitoring and the potential of aqueous solutions of CMC and USG as model fluids for UHPC with different flow limits. The article concludes with a comparison of the flow properties of UHPC mixtures and model fluids, emphasizing the practical applications and future research directions.

Publisher's Note

Springer Nature remains neutral with regard to jurisdictional claims in published maps and institutional affiliations.
A
Power number constant (–)
c
Modified Bingham model parameter \((\mathrm{Pa\,s}^{-2})\)
\({C_L}\)
End effect correction factor (–)
D
Impeller diameter(m)
h
Width of impeller blade (m)
H
Liquid height above bottom (m)
\({H_2}\)
Height of impeller above bottom (m)
k
Metzner–Otto constant (–)
K
Consistency coefficient \((\mathrm{Pa\,s}^\textrm{n})\)
L
Impeller height (m)
M
Torque (N m)
n
Flow behaviour index, power-law index (–)
N
Rotational speed \({(\textrm{s}^{-1})}\)
\({\textrm{Po}}\)
Power number, Eq. (7) (–)
\({\textit{R}_1}\)
Inner cylinder radius (m)
\({\textit{R}_2}\)
Outer cylinder radiusm
\({\textrm{Re}}\)
Reynolds number, Eq. (8) (–)
s
Pitch(m)
S
Distance between impeller and vessel wall(m)
SS
Sum of squares of deviations(Pa\(^2\))
T
Vessel diameter (m)
T
Temperature (\(^\circ \)C, K)
\({\dot{\gamma }}\)
Shear rate (s\(^{-1}\))
\({\dot{\gamma }_\textrm{crit}}\)
Critical shear rate (s\(^{-1}\))
\({\delta }\)
The radii ratio \(=R_2/R_1\)(–)
\({\eta }\)
Apparent viscosity (Pa s)
\({\eta _0}\)
Zero shear rate apparent viscosity (Pa s)
\({\eta _\infty }\)
Infinite shear rate apparent viscosity (Pa s)
\({\lambda }\)
Material time constant (s)
\({\mu }\)
Dynamic viscosity (Pa s)
\({\mu _\textrm{p}}\)
Bingham plastic viscosity (Pa s)
\({\varrho }\)
Density (kg \(m^{-3})\)
\({\tau }\)
Shear stress (Pa)
\({\tau _0}\)
Yield stress (Pa)
\({\omega }\)
Angular speed \(= 2 \pi N\)\(({s^{-1}})\)
\({\omega }\)
Mass fraction of component (–)

1 Introduction

Modern ultra-high-performance concrete (UHPC) has been widely used in civil engineering in recent decades. It consists of powder raw materials, plasticizer, and steel or organic fibres and excels in great strength and durability. Many researchers study the mechanical properties of UHPCs that vary in recipes and added components. The common characteristic of all these studies is the fact that mechanical properties are tested on precisely defined samples prepared in laboratory experiments. However, several problems appear in real life, when other parameters such as inconsistency in components dosing, time of mixing, effect of temperature, etc. start to play a role. One of such problems is the settling of solid fibres in UHPC during casting and solidification. The orientation and homogeneity of fibres affect the mechanical properties of the final structure [1, 2].
A study of fibres settling in UHPC mixtures is very interesting phenomenon, which we aimed to in our ongoing research. This paper is focused on the initial part of our work in which we tried to find a substitute model fluids that would enable us to study the process of settling of solid fibres experimentally.
For experimental monitoring of processes that take place in UHPC mixtures, it is necessary to use suitable model fluids with the following properties.
  • Substituting model fluids must exhibit a rheological behaviour similar to that of the original UHPC mixtures, at least in the vicinity of the shear deformation rate values achieved during the real process. This means that the apparent viscosity of the substitute model fluid and the original UHPC mixture at a given shear strain rate should at least agree.
  • Substituting model fluids must exhibit similar rheological behaviour in terms of flow limit, as well as typical UHPC. Therefore, these are liquids with an insignificant flow limit (yield stress) and liquids with a significant flow limit.
  • Substituting model fluids must allow visual monitoring of events taking place in their volume, i.e. their transparency should be ensured.
To be able to find such model fluids, we need to measure and describe the rheological behaviour of both the model fluids and the real UHPC mixtures. Several basic models can be recognized to describe the flow behaviour of UHPC. The first of the models that are practically used is the Bingham plastic fluid model [35]
$$\begin{aligned} \tau = \tau _0 + \mu _\textrm{p} \dot{\gamma } \end{aligned}$$
(1)
containing \(\tau _0\) and \(\mu _\textrm{p}\), i.e. a yield stress and a plastic viscosity as the model parameters. However, the results of our experiments and those of some other authors show a nonlinear behaviour of UHPCs that often show shear thickening behaviour [3]. The consequence of this behaviour of real mixtures is that some authors do not recommend using the classical linear Bingham model, but they recommend nonlinear models instead. The first of the nonlinear models used is a modified Bingham model
$$\begin{aligned} \tau = \tau _0 + \mu _\textrm{p} \dot{\gamma } + c \dot{\gamma }^2. \end{aligned}$$
(2)
This empirical model additionally contains the parameter c, which adds non-linearity to the Bingham fluids in the form of quadratic dependence of the shear stress on the shear rate [3, 68]. This term enables us to model the slight shear thickening behaviour of mixtures.
The second model frequently used to describe the non-linearity in the behaviour of UHPC mixtures is the Herschel–Bulkley model
$$\begin{aligned} \tau = \tau _0 + K \dot{\gamma }^n, \end{aligned}$$
(3)
which uses three parameters to describe the flow behaviour. The yield stress \(\tau _0\) is supplemented by a pair of parameters K and n expressing the consistency coefficient and the flow behaviour index, respectively [3, 4, 8].
Some authors developed their own rheological models. Ferrara et al. [9] modified the linear Bingham model in the term expressing the yield stress and introduced the nonlinear model defined by the equation
$$\begin{aligned} \tau = \tau _0 \left[ 1 - \textrm{exp} \left( -3 \frac{\dot{\gamma }}{\dot{\gamma }_\textrm{crit}} \right) \right] + \mu _\textrm{p} \dot{\gamma }, \end{aligned}$$
(4)
in which a third parameter \(\dot{\gamma }_\textrm{crit}\) appears expressing a nonlinear behaviour in the region of low shear strain rates.
In conclusion, as Khayat et al. [3] reported, the flow behaviour of typical UHPC shows a yield stress behaviour with a value of \(\tau _0\) ranging from 10 to \(100~\textrm{Pa}\) and a plastic viscosity \(\mu _p\) ranging from 20 to \(200~\mathrm {Pa\,s}\). The rheograms describing the flow behaviour of real UHPCs show typical behaviour, which can be divided into two groups that differ in the magnitude of the yield stress. The first group represents mixtures exhibiting Newtonian or pseudoplastic characteristics with an indistinct flow limit, and the second group represents mixtures exhibiting nonlinear characteristics with a significant flow limit.

2 Materials and methods

2.1 UHPC sample preparation

In our work, four different UHPC samples were prepared and tested. Each recipe was composed of a silica sand (0.063–\(1.2~\textrm{mm}\)), silica fume, slag, cement, water and superplasticizer. Water was the only component that has been changed in mixture recipes. Cement, aggregates, silica fume and slag were mixed for 5 min to achieve a homogeneous dry mixture in a laboratory mixer with a capacity of 7 l. After 5 min, water and superplasticizers were added to the mixture and the batch was mixed for the other 5 min. Therefore, the total mixing time was 10 min. The composition of all samples is shown in Table 1.
Table 1
Mixtures compositions described by mass concentration of all components, i.e. the mass of component related to the total volume of the mixture
Component
Mix1
Mix2
Mix3
Mix4
 
Fine aggregate
1225
1225
1230
1215
\(\mathrm {kg\,m^{-3}}\)
Silica fume
100
100
101
100
\(\mathrm {kg\,m^{-3}}\)
Slag
80
80
81
80
\(\mathrm {kg\,m^{-3}}\)
Cement
703
703
706
697
\(\mathrm {kg\,m^{-3}}\)
Water
165
161
161
179
\(\mathrm {kg\,m^{-3}}\)
Superplasticizer
40
40
40
40
\(\mathrm {kg\,m^{-3}}\)
w/c
23.47
22.90
22.80
25.68
\(\%\)
The last row, w/c, expresses the ratio of the mass of water to the mass of concrete in the mixture

2.2 Basic flow measurements of UHPC

Workability is one of the basic factors that can determine the rheological parameters of UHPC [10]. A mini-flow desk test (see Fig. 1) is one of the testing methods for the workability. It is carried out using a small Hägermann cone that is primarily used for the workability test of fresh mortar according to EN 1015-3. The UHPC workability testing is similar to a slump flow test used for common concrete according to EN 12350-8. The Hägermann cone, which is made of stainless steel or brass, is filled with the sample and then quickly lifted from a desk, which causes the fluid inside to create a circular spillage whose diameter is measured in time. The height of the used cone was \(50~\textrm{mm}\) and its diameters were \(100~\textrm{mm}\) at the bottom and \(70~\textrm{mm}\) at the top [5]. The cone is shown in Fig. 1. A square steel desk plate with an edge length of \(400~\textrm{mm}\) was used below the cone. Both, the cone and the plate, were lubricated by a low viscosity oil prior to each experiment. The results of the workability tests are shown in Table 2.
Fig. 1
Mini-flow desk test. The Hägermann cone on the left and a spilled sample as the measurement test result on the right
Full size image
The workability test was performed immediately after sample preparation in all samples. In addition, a repeated workability test was carried out with samples Mix2, Mix3, and Mix4. The repeated test began 20 min after sample preparation. The reason for repeating the workability test was the fact that at the same time (20 min after sample preparation) other rheological measurements described further in the text were carried out. The spillage size values were recorded at different times during each workability test (0 min, 10 min, 25 min). Table 2 contains the maximum spillage size obtained from the first workability test (\(T_{IM}\)) and the spillage sizes at different times from the second test (\(T_{Si}\)) of each sample.
Table 2
Workability test results: \(T_{IM}\)—maximum size from the test after mixing; \(T_{S0}\)—initial size from the second test; \(T_{S10}\)—second test after 10 min; \(T_{S25}\)—second test after 25 min; a)—moment of the performance of the rheology test
Recipe
\(T_{IM}\)
\(T_{S0}\)
\(T_{S10}\)
\(T_{S25}\)
 
\(d_1 \times d_2\)
\(d_1 \times d_2\)
\(d_1 \times d_2\)
\(d_1 \times d_2\)
 
\((\mathrm {mm^2})\)
\((\mathrm {mm^2})\)
\((\mathrm {mm^2})\)
\((\mathrm {mm^2})\)
Mix1
255 \(\times \) 260a)
Mix2
230 \(\times \) 240
200 \(\times \) 205a)
Mix3
260 \(\times \) 260
240 \(\times \) 240a)
260 \(\times \) 260
260 \(\times \) 265
Mix4
320 \(\times \) 320
310 \(\times \) 310a)
330 \(\times \) 340
330 \(\times \) 345

2.3 Rheology measurements—measuring systems and consistency variables

More precise description of the rheological behaviour of tested UHPC samples and subsequently of substituting model fluids was obtained from rheological experiments based on rotational rheometry.
Probably the most common measuring system in a rotational rheometry is the system of concentric cylinders. Figure 2 shows the geometry of the concentric cylinders defined according to the DIN EN ISO 3219 standard. This geometry is based on the use of a narrow gap, which allows the application of a constant value of the shear rate and the corresponding shear stress across the gap. This NGC (Narrow Gap Couette) geometry is currently the international standard for measuring the flow properties of polymers and other non-Newtonian fluids.
Fig. 2
Geometry of the measuring system according to the DIN EN ISO 3219 standard. The apex angle of the cone is \(120^\circ \)
Full size image
As stated in [11], the evaluation is based on the determination of the magnitude of the shear stress
$$\begin{aligned} \tau = \frac{1+\delta ^2}{\delta ^2} \frac{M}{2 \pi R_1^2 L C_L} \end{aligned}$$
(5)
and the shear rate
$$\begin{aligned} \dot{\gamma } = \frac{1+\delta ^2}{\delta ^2-1} \omega , \end{aligned}$$
(6)
where \(\delta \le 1.2\) is the geometric parameter of the gap defined by the ratio of the radiuses of the outer cylinder \(R_2\) and the inner cylinder \(R_1\). M is the magnitude of the torque measured in the inner cylinder rotating at angular speed \(\omega \). L is the length of the gap, and \(C_L\) is the end-effect correction factor. According to [11], the magnitude of the correction factor is usually substituted for 1.1 in the case of Newtonian fluid measurement behaviour [12]. In the case of shear thinning liquid, the value of the empirical constant ranges up to 1.2, and in the case of pseudo-plastic liquids at low shear rates, the value of the constant ranges up to 1.28.
The NGC measuring system is more suitable for measuring the rheological properties of homogenous substances that do not contain particles. The problem of measuring the rheological properties of suspensions is the possibility of sedimentation of particles during the measurement and also slip on the wall. Moreover, in the case of larger particles, the rotation of the inner cylinder can be mechanically affected by the particles located in the narrow gap. For this reason, the measurement of such substances, in our case concrete mixtures containing a filler in the form of thin wires of a small diameter, is almost impossible. Therefore, the measurements were based on the usage of measuring systems with a larger gap between the rotating and stationary parts. Thus, slow running agitators suitable for mixing highly viscous substances were applied, whereas the NGC system was used only for measurements of homogeneous model fluids (CMC and US gel; see further).
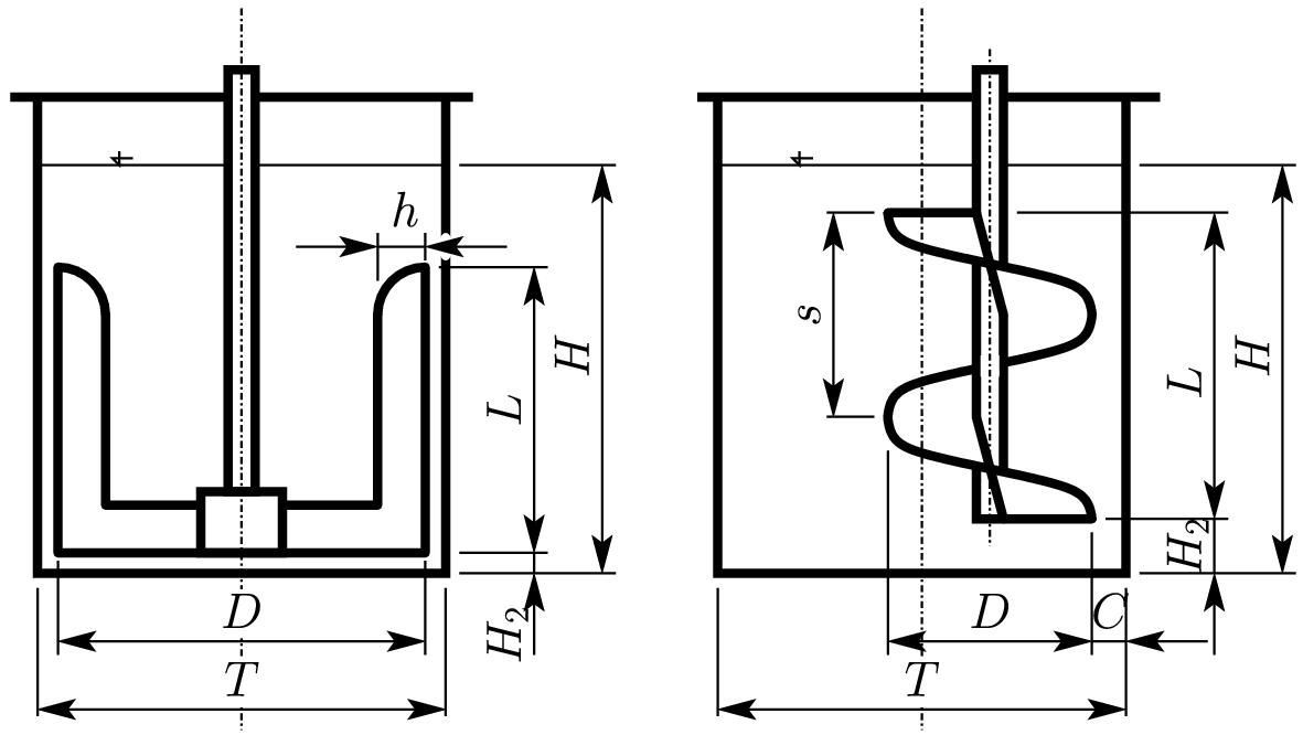
A measuring device consisting of an anchor agitator, or a screw agitator, placed in a flat-bottomed cylindrical vessel was used to measure the rheological properties of inhomogeneous suspensions, as shown in Fig. 3.
Fig. 3
Dimensions of the anchor agitator measuring system, on the left, and the eccentric screw agitator measuring system, on the right
Full size image
The evaluation of flow properties is based on the known relationship between the power number \(\textrm{Po}\) and the Reynolds number \(\textrm{Re}\) in the regime of creeping flow, which can be expressed as
$$\begin{aligned} \textrm{Po} = \frac{P}{\varrho N^3 D^5} = \frac{2 \pi M}{\varrho N^2 D^5} = \frac{A}{\textrm{Re}}, \end{aligned}$$
(7)
where P is the power required to rotate the agitator with rotational speed N, M is the torque required to derive the rotational motion of the rotating stirrer of diameter D, \(\varrho \) is the density of the liquid and finally A is a constant depending on the geometry of the stirrer. The Reynolds number \(\textrm{Re}\) is defined as
$$\begin{aligned} \textrm{Re} = \frac{N D^2 \varrho }{\eta }, \end{aligned}$$
(8)
where \(\eta \) expresses the value of dynamic viscosity in the case of mixing Newtonian fluids. In our suggested case, assuming mixing of non-Newtonian fluids, the symbol expresses the magnitude of the apparent viscosity (see the generalized viscous fluid model \(\tau = \eta \dot{\gamma }\)).
The question is how to determine the second consistency variable in this case, the magnitude of the shear rate \(\dot{\gamma }\) at the agitator. Metzner and Otto [13] introduced a relation between the effective shear rate and the rotational speed of the stirrer using the linear relation
$$\begin{aligned} \dot{\gamma } = k N, \end{aligned}$$
(9)
where k is a constant depending on the geometric arrangement of the mixing system. Metzner and Otto studied power consumption when mixing non-Newtonian pseudoplastic fluids that can be described by a power-law model. They used three model fluids for their experiments. Two of them were colloidal suspensions, CMC (sodium carboxymethylcellulose) and Carbopol 934, and the third was a suspension of Attasol clay. Their measurements were carried out in the range of the shear deformation rate from units of \(\mathrm {s^{-1}}\) to tens of thousands of \(\mathrm {s^{-1}}\). Based on the measurement of a power characteristic of the used stirrer, Metzner and Otto [13] concluded that even in the case of mixing non-Newtonian liquids it is possible to express the power consumption using the same constant A in relation (7) determined for mixing Newtonian liquids. However, in such a case, it is crucial to express the magnitude of the Reynolds number using the apparent viscosity (8). The apparent viscosity must then be determined for the effective shear rate (9).
The magnitude of the Metzner–Otto constant k for the anchor agitator (\(T/D = 1.11\), \(L/D = 0.8\), \(h/D = 0.12\), and \(H_2/D = 0.055\)) is 15.5 [14]. In the case of a screw agitator in an eccentric arrangement (\(T/D = 2\), \(L/D = 1.5\), \(s/D = 0.1\), \(c/T = 0.02\), and \(H_2/D = 0.25\)), the common value is also 15.5 [14].
The inaccuracy of the constant directly affects the inaccuracy of the shear rate, so it is important to have a precise value if the impellers are used to determine the flow properties of a mixed batch. However, the parameter k is also related to the parameter A in Eq. (7). In our case, we have verified the A parameter for both impellers used.
The literature value of the constant A in the power characteristic equals 180 in the case of an anchor agitator. For a screw agitator in the eccentric arrangement, the constant is 154. It is also worth noting that the size of these constants is significantly affected by the geometric shape of the impellers given by the accuracy of their production.

2.4 Experimental devices

Measurements in the system with the anchor agitator were performed using a Rheotec RC 20 rotational rheometer (RheoTec Messtechnik GmbH, Germany), which was used as a drive equipped with an accurate torque meter having the range of up to \(50~\mathrm {mN\,m}\). Measurements in the system with the eccentrically located screw agitator were made by a motor-driven stirrer with the torque measurement sensor DR-2500 (Lorenz Messtechnik, Germany) with ranges of \(0.5~\mathrm {N\,m}\) and \(5~\mathrm {N\,m}\). Measurements of rheological properties using classical rotational rheometry with the NGC system were performed using Anton Paar’s MCR 102 modular compact rheometer (Anton Paar GmbH, Graz, Austria). The CC-27 system was used as a measuring system.

2.5 Screw agitator optimal constant A

As mentioned above, the size of the constant A in the power input (Eq. 9) is significantly affected by the accuracy of the geometric shape of the stirrer. For this reason, the size of this constant was verified experimentally by measuring the flow behaviour of a liquid with known flow properties that were determined using a standard measuring system based on NGC. Aqueous solution of CMC with a weight fraction of \(1.75~\%\) of a sodium salt of carboxymethylcellulose (CAS:9004-32-4, Carl Roth GmbH + Co.KG, Karlsruhe, Germany) was used to determine the constant A. The measurement was carried out at a temperature of \(15~^\circ \textrm{C}\). The size of the constant was determined by the optimization process in which the values obtained from the measurements carried out in the system with a stirrer were compared to the values obtained from the measurements performed by the modular compact rheometer MCR 102. The range of shear rates set in the MCR 102 rheometer during measurements of the rheological properties of the solutions ranged from 0.01 up to \(10~\mathrm {s^{-1}}\). However, optimization was carried out in a narrower range given by the actual range achieved when measuring using the eccentrically placed screw agitator (from 0.025 to \(\sim 4~\mathrm {s^{-1}}\)).
Figure 4 shows a comparison of the calibration solution rheogram measured using the MCR 102 rheometer with the standard geometry of the NGC and the rheogram constructed by measuring the properties with the eccentrically placed screw agitator for the optimal value of the constant A (dashed line). Continuous lines show the flow curves corresponding to a change in the constant A of \(\pm 10~\%\).
Fig. 4
Flow curve of the \(1.75\%\) w/w aqueous solution of CMC measured by MCR 102 (circles) compared to the flow curve obtained from measurement of the power consumption of the eccentrically placed screw agitator with application of the optimal value of the power constant A (triangles)
Full size image
The optimal value of the constant A was obtained by minimizing the sum of squares of the deviations of the shear stress \(\tau _i\) measured by MCR 102 and the shear stress \(\tau \) determined from the parameters of the model function based on the measurement using a screw agitator, i.e.
$$\begin{aligned} { {SS}} = \sum \limits _{i \in \{\mathrm {MCR~102}\}} \left[ \tau _i - \tau \left( \dot{\gamma }_i \right) \right] ^2 = \textrm{min}, \end{aligned}$$
(10)
where the power-law fluid model
$$\begin{aligned} \tau = K \dot{\gamma }^n \end{aligned}$$
(11)
with a consistency coefficient K and a flow behaviour index n was used as the model function \(\tau \) describing the behaviour of CMC solution.

2.6 Anchor agitator optimal constant A

The calibration of the anchor agitator used to measure the rheological properties of the UHPC was carried out in the same way as in the case of a screw agitator. The same aqueous solution of CMC with a weight fraction of \(1.75~\%\) of carboxymethylcellulose sodium salt was used again to determine the constant. The measurements were carried out at a temperature of \(20.5~^\circ \textrm{C}\). The magnitude of the constant A was determined again by the optimization process against the values determined from measurements performed by the modular compact rheometer MCR 102.
Figure 5 shows a comparison of the rheogram of the calibration solution measured in the MCR 102 rheometer using the standard geometry NGC and the rheogram constructed by measuring the properties using the anchor agitator for the optimal value of the constant A (dashed line). The continuous lines show the flow curves corresponding to the change of the constant A by \(\pm 10~\%\).
Fig. 5
Flow curve of the \(1.75\%\) w/w aqueous solution of CMC measured by MCR 102 (circles) compared to the flow curve obtained from measurement of the power consumption of the anchor agitator with application of the optimal value of the power constant A (triangles)
Full size image

3 Measurement and results

The aim of the work, as mentioned above, was to find model fluids that would allow the measurement, modelling and monitoring of hydrodynamic processes that take place in UHPC mixtures (e.g. during their solidification). These model fluids must exhibit the same rheological behaviour as real mixtures. Therefore, the rheological properties of the selected UHPC mixtures were measured first, followed by the measurement of the rheological properties of the model fluids.

3.1 Rheological behaviour of fresh UHPC

The measurement of the rheological properties of UHPC was performed by measuring the power of the anchor agitator or the eccentrically placed screw agitator as described above. Measurements were carried out for mixtures marked Mix1 to Mix4. The composition and preparation of these mixtures were described above.
The rheological properties of Mix1 were measured using the anchor agitator system at \(20.5~^\circ \textrm{C}\). As it was mentioned, torque measurement was provided by an RC 20 rheometer with a range of \(50~\mathrm {mN\,m}\). The size of the torque meter range limited the measurement range, as will be recognized further from the measured flow curve. For this reason, further measurements of the rheological properties of Mix2, Mix3, and Mix4 samples were already performed at the mixing station of our design equipped with a torque sensor with a larger range. The eccentrically placed screw agitator was then used as a measuring system to measure the rheological properties of the samples. The measurement of the Mix2 mixture was performed at a temperature of \(22.4~^\circ \textrm{C}\) with a torque sensor with a range of \(5~\mathrm {N\,m}\). Measurements of the properties of the Mix3 and Mix4 samples were performed at a temperature of \(22.8~^\circ \textrm{C}\) using a torque sensor with a range of \(0.5~\mathrm {N\,m}\).
Table 3 shows the parameters of the Herschel–Bulkley rheological model (3), which was used to describe the flow behaviour of fresh UHPC mixtures (the first row at each sample). As can be seen, the standard deviation of some parameters is quite high. That enables us to evaluate the data also using another rheological model. The Bingham plastic model (Eq. 1) and the power-law model (Eq. 11) were used in such a case. The evaluated parameters of these models are presented in the table in the second row at each sample, including the specification of the model used for the alternative evaluation. A comparison of the evaluated flow curves using Herschel–Bulkley model and the measured data is shown in Fig. 6.
Table 3
Parameters of the rheological models of the tested UHPC mixtures
Specimen
\(\dot{\gamma }~\mathrm {(s^{-1})}\)
\(K~\mathrm {(Pa\,s^n)}\)
\(n~\mathrm {(-)}\)
\(\tau _0~\mathrm {(Pa)}\)
Equations
Mix1
0.17 – 0.78
\(117.1 \pm 1.1\)
\(1.061 \pm 0.040\)
\(10.2 \pm 1.8\)
 
0.17 – 0.78
\(118.5 \pm 1.0\)
1
\(7.35 \pm 0.52\)
Mix2
0.13 – 3.88
\(349 \pm 180\)
\(0.49 \pm 0.23\)
\(42 \pm 170\)
 
0.13 – 3.88
\(395 \pm 21\)
\(0.443 \pm 0.054\)
 
Mix3
0.026 – 3.88
\(138.3 \pm 8.1\)
\(0.839 \pm 0.037\)
\(13.4 \pm 7.0\)
 
0.026 – 3.88
\(152.9 \pm 4.3\)
\(0.782 \pm 0.027\)
 
Mix4
0.026 – 3.88
\(34.0 \pm 1.4\)
\(0.890 \pm 0.026\)
\(1.5 \pm 1.2\)
 
0.026 – 3.88
\(35.53 \pm 0.66\)
\(0.864 \pm 0.017\)
 
Fig. 6
Evaluated flow curves of fresh UHPC mixtures (Herschel–Bulkley model) compared to the measured data
Full size image

3.2 Model fluid 1—CMC

Figure 7 shows the flow curves of aqueous CMC solutions that were prepared as model fluids. Measurement of their rheological properties was carried out using the MCR 102 rheometer at a constant temperature of \(20~^\circ \textrm{C}\) and an NGC system (CC-27). The measurement of rheological properties was carried out in the range of shear rate up to \(1000~\mathrm {s^{-1}}\). In this range, the parameters of the power-law model (11) were determined. The obtained parameters are given in Table 4 in the second row at each sample. However, since the real range of shear deformation rates in the modelling processes running in UHPC is around units of \(\mathrm {s^{-1}}\), we measured and evaluated the parameters of the power-law model also in the range of shear deformation rates up to \(5~\mathrm {s^{-1}}\). The corresponding flow curves and rheological model parameters are shown in Fig. 7 and Table 4 (the first row at each sample).
Fig. 7
Flow curves of aqueous solutions of CMC with specified fractions. The flow curves up to shear rate \(1000~\mathrm {s^{-1}}\) are shown in the upper graph; for a range of shear rate up to \(4.5~\mathrm {s^{-1}}\) are shown in the lower graph
Full size image

3.3 Model fluid 2—USG

Figure 8 shows the flow curves of aqueous solutions of OXD US-C5F ultrasound gel (https://oxdasia.com/) (USG), which were prepared as model fluids to model events in UHPC mixtures with a significant flow limit (significant yield stress). Measurements of their rheological properties were again performed using an MCR 102 rheometer at a constant temperature of \(20~^\circ \textrm{C}\) and the NGC system (CC-27).
As can be seen from the measured flow curves, USG shows different behaviour in the area of smaller and larger shear deformation rates. The flow curves further show that the USG exhibits a behaviour with a flow limit in the range corresponding to the behaviour of real UHPC mixtures. Therefore, a suitable rheological model must make it possible to describe the behaviour with the flow limit and, if possible, to describe the nonlinear behaviour given by the measured flow curves. It turns out that if we take part of the Carreau model [15, 16] that expresses the apparent viscosity for the infinite shear strain rate \(\eta _\infty \rightarrow 0\) and modify it with a flow limit term \(\tau _0\) expressing the yield stress, we get
$$\begin{aligned} \tau = \tau _0 + \eta _0 \left[ 1 + \left( \lambda \dot{\gamma } \right) ^2 \right] ^ {\left( n-1\right) /2} \, \dot{\gamma }. \end{aligned}$$
(12)
This relation fits our measured data quite well, as can be seen in Fig. 8. The model contains three general parameters that express apparent viscosity at zero shear rate \(\eta _0\), material time constant \(\lambda \) and power-law index n. Thus, it is quite easily usable and can be used for a description of the flow behaviour of our samples with advantage.
Table 4
Parameters of the rheological model for the aqueous solution of CMC as a function of the mass fraction \(\omega \). The rheological model is expressed by Eq. (11)
\(\omega ~\mathrm {(-)}\)
\(\dot{\gamma }~\mathrm {(s^{-1})}\)
\(K~\mathrm {(Pa\,s^n)}\)
\(n~\mathrm {(-)}\)
\(2.5~\%\)
0.01 – 4.50
\(0.07212 \pm 0.00061\)
\(0.9811 \pm 0.0070\)
 
0.01 – 1000
\(0.1055 \pm 0.0018\)
\(0.8767 \pm 0.0026\)
\(4~\%\)
0 – 4.50
\(0.2481 \pm 0.0062\)
\(0.940 \pm 0.021\)
 
0 – 1000
\(0.421 \pm 0.011\)
\(0.7996 \pm 0.0040\)
\(6~\%\)
0 – 4.5
\(1.381 \pm 0.018\)
\(0.883 \pm 0.011\)
 
0 – 1000
\(2.78 \pm 0.13\)
\(0.6875 \pm 0.0076\)
\(8~\%\)
0 – 4.50
\(6.03 \pm 0.20\)
\(0.805 \pm 0.028\)
 
0 – 1000
\(12.16 \pm 0.57\)
\(0.5902 \pm 0.0075\)
\(10~\%\)
0 – 4.5
\(18.42 \pm 0.38\)
\(0.717 \pm 0.018\)
 
0 – 1000
\(35.16 \pm 2.18\)
\(0.519 \pm 0.010\)
Table 5 shows the parameters of the proposed rheological model for individual aqueous USG solutions of a given USG mass fraction.
Fig. 8
Flow curves of aqueous solutions of USG for specified fractions
Full size image

4 Discussion and conclusion

In conclusion, to measure the rheological properties of UHPC mixtures (fine-grained and coarse-grained mixtures containing smaller or larger particles or fibres that could sediment or affect the measurement in classical NGC geometry), a technique based on the use of power input characteristics of the agitators was designed and experimentally tested. With the help of measuring systems using an anchor agitator and an eccentrically placed screw agitator, the flow curves of the prepared UHPC mixtures were measured in the range of the shear rate in order of units of \(\mathrm {s^{-1}}\). The measurement results show that the rheological behaviour of these mixtures can be described very well using the three-parameter Herschel–Bulkley model. In general, it is possible to characterize the rheological behaviour of these mixtures with the word nonlinearity and it is possible to divide it into two groups—mixtures with a low or indistinct flow limit and mixtures with a significant flow limit (yield stress).
Subsequently, the rheological behaviour of two model liquids, aqueous solutions of CMC and USG, was measured. It turns out that these fluids can be used, with the advantage of their transparency (see Fig. 9), as model fluids that enable the modelling of hydrodynamic processes in real UHPC mixtures. For example, in our further research, we studied the settling velocity of a cloud of metal fibres in the model fluids at different rheological parameters of the fluids corresponding to different UHPC samples. The settling velocity was evaluated by tracking the position of the fibres cloud interface over time using image analysis in camera records (see the cloud height in Fig. 9 left). It was a very cheap, fast and simple way of evaluating the settling velocity. The orientation of the fibres could also be observed during the experiments. The results of the experiments in the model fluids could be compared later with the distribution of fibres in real UHPC samples evaluated in cuts made in the solidified samples. Regarding the transparency of the model fluid, it should be noted that in the case of the CMC solution, a change in colour was observed over time (compare the first two photographs in Fig. 9).
Table 5
Rheological model parameters (12) of aqueous solutions of USG as a function of its mass fraction \(\omega \)
\(\omega ~\mathrm {(-)}\)
\(\dot{\gamma }~\mathrm {(s^{-1})}\)
\(\eta _0~\mathrm {(Pa\,s)}\)
\(\lambda ~\mathrm {(s)}\)
  
\(n~\mathrm {(-)}\)
\(\tau _0~\mathrm {(Pa)}\)
\(100~\%\)
0 – 10
\(346 \pm 11\)
\(3.50 \pm 0.14\)
  
\(0.1667 \pm 0.0048\)
\(41.33 \pm 0.78\)
\(75~\%\)
0 – 10
\(184.18 \pm 3.67\)
\(1.928 \pm 0.059\)
  
\(0.1717 \pm 0.0050\)
\(32.42 \pm 0.43\)
\(50~\%\)
0 – 10
\(81.2 \pm 2.0\)
\(0.920 \pm 0.045\)
  
\(0.172 \pm 0.012\)
\(20.59 \pm 0.43\)
\(25~\%\)
0 – 10
\(19.24 \pm 0.55\)
\(0.492 \pm 0.039\)
  
\(0.210 \pm 0.030\)
\(12.20 \pm 0.19\)
Fig. 9
Transparency of fresh CMC during experiments (left), several-days-old CMC solution (middle), \(100\%\) USG (right)
Full size image
Regarding the flow properties, aqueous CMC solutions are suitable as model fluids for UHPC mixtures with a faint flow limit. Aqueous USG solutions are then suitable as model fluids for modelling processes taking place in UHPC mixtures with a significant flow limit. Figure 10 shows the experimental results of measuring the flow properties of prepared fresh UHPC mixtures compared to the boundary rheograms of the investigated model fluids.
Fig. 10
Flow curves of studied fresh UHPC mixtures compared to the boundary flow curves for aqueous solutions of CMC (grey area) and USG (blue area)
Full size image
Using the figure, the basic distinction about which fluid to use as a model fluid (CMC or USG) can be made. Let us suppose, for example, that we want to realize the properties of the UHPC mixture labelled Mix4. In this case, it is a mixture with an insignificant flow limit and, as can be seen in Fig. 10, it lies on the border of the area of application of aqueous CMC solutions. But how to determine the correct fraction? Considering that during the application of the UHPC mixture, we are in the range of the shear rate around \(0.5~\mathrm {s^{-1}}\) (this choice depends on the real application, mixing, pipeline transport, sedimentation, etc.); we first determine, using the properties of the given mixture, its apparent viscosity at this rate of shear deformation. Using the parameters listed in Table 3 (and Eq. 3), we determine the size of the apparent viscosity \(\eta = \tau /\dot{\gamma } = 39.694~\mathrm {Pa\,s}\). Subsequently, we express the dependence of the apparent viscosity of the model liquid (CMC) using the values taken from Table 4 or Fig. 4) for the selected rate of shear deformation, as can be seen in Fig. 11. For the required value of the apparent viscosity, we can then simply find the required concentration of the model liquid expressed by the mass fraction of \(11.3~\%\).
As is seen, the procedure is not universal and cannot be generalized, because the apparent viscosity of the model fluid depends not only on the fluid concentration, but also on the choice of shear rate for which the dependence is expressed.
Fig. 11
Dependence of CMC apparent viscosity on solution fraction at the shear rate \(0.5~\mathrm {s^{-1}}\)
Full size image

Acknowledgements

This research has been supported by the Grant Agency of the Czech Republic (Czech Science Foundation) project No. 21-24070 S.

Declarations

Conflict of interest

The authors have no relevant financial or non-financial interests to disclose.

Ethical approval

This declaration is not applicable.
Open AccessThis article is licensed under a Creative Commons Attribution 4.0 International License, which permits use, sharing, adaptation, distribution and reproduction in any medium or format, as long as you give appropriate credit to the original author(s) and the source, provide a link to the Creative Commons licence, and indicate if changes were made. The images or other third party material in this article are included in the article’s Creative Commons licence, unless indicated otherwise in a credit line to the material. If material is not included in the article’s Creative Commons licence and your intended use is not permitted by statutory regulation or exceeds the permitted use, you will need to obtain permission directly from the copyright holder. To view a copy of this licence, visit http://​creativecommons.​org/​licenses/​by/​4.​0/​.

Publisher's Note

Springer Nature remains neutral with regard to jurisdictional claims in published maps and institutional affiliations.
Title
Model fluids substituting fresh UHPC mixtures flow behaviour
Authors
Martin Dostál
Jiří Moravec
Tomáš Jirout
Milan Rydval
Karel Hurtig
Dita Jiroutová
Publication date
07-04-2023
Publisher
Springer Berlin Heidelberg
Published in
Archive of Applied Mechanics / Issue 7/2023
Print ISSN: 0939-1533
Electronic ISSN: 1432-0681
DOI
https://doi.org/10.1007/s00419-023-02412-5
1.
go back to reference Teng, L., Huang, H., Du, J., Khayat, K.H.: Prediction of fiber orientation and flexural performance of UHPC based on suspending mortar rheology and casting method. Cement Concr. Compos. 122, 104142 (2021). https://​doi.​org/​10.​1016/​j.​cemconcomp.​2021.​104142CrossRef
2.
go back to reference Huang, H., Gao, X., Teng, L.: Fiber alignment and its effect on mechanical properties of UHPC: an overview. Constr. Build. Mater. 296, 123741 (2021). https://​doi.​org/​10.​1016/​j.​conbuildmat.​2021.​123741CrossRef
3.
go back to reference Khayat, K.H., Meng, W., Vallurupalli, K., Teng, L.: Rheological properties of ultra-high-performance concrete - an overview. Cem. Concr. Res. 124, 105828 (2019). https://​doi.​org/​10.​1016/​j.​cemconres.​2019.​105828CrossRef
4.
go back to reference Roussel, N., Stefani, C., Leroy, R.: From mini-cone test to Abrams cone test: measurement of cement-based materials yield stress using slump tests. Cem. Concr. Res. 35(5), 817–822 (2005). https://​doi.​org/​10.​1016/​j.​cemconres.​2004.​07.​032CrossRef
5.
go back to reference Choi, M.S., Lee, J.S., Ryu, K.S., Koh, K.-T., Kwon, S.H.: Estimation of rheological properties of UHPC using mini slump test. Constr. Build. Mater. 106, 632–639 (2016). https://​doi.​org/​10.​1016/​j.​conbuildmat.​2015.​12.​106CrossRef
6.
go back to reference Dils, J., Boel, V., De Schutter, G.: Influence of cement type and mixing pressure on air content, rheology and mechanical properties of UHPC. Constr. Build. Mater. 41, 455–463 (2013). https://​doi.​org/​10.​1016/​j.​conbuildmat.​2012.​12.​050CrossRef
7.
go back to reference Wu, Z., Khayat, K.H., Shi, C.: Changes in rheology and mechanical properties of ultra-high performance concrete with silica fume content. Cem. Concr. Res. 123, 105786 (2019). https://​doi.​org/​10.​1016/​j.​cemconres.​2019.​105786CrossRef
8.
go back to reference Wallevik, O.H., Feys, D., Wallevik, J.E., Khayat, K.H.: Avoiding inaccurate interpretations of rheological measurements for cement-based materials. Cem. Concr. Res. 78, 100–109 (2015). https://​doi.​org/​10.​1016/​j.​cemconres.​2015.​05.​003CrossRef
9.
go back to reference Ferrara, L., Cremonesi, M., Tregger, N., Frangi, A., Shah, S.P.: On the identification of rheological properties of cement suspensions: rheometry, computational fluid dynamics modeling and field test measurements. Cem. Concr. Res. 42(8), 1134–1146 (2012). https://​doi.​org/​10.​1016/​j.​cemconres.​2012.​05.​007CrossRef
10.
go back to reference Rydval, M., Bittner, T., Kolísko, J., Šárka Nenadálová.: Impact of Steel Fibers on Workability and Properties of UHPC, 57–61 (Albena Resort, Bulgaria, 28th June – 7th July) (2016). https://​doi.​org/​10.​4028/​www.​scientific.​net/​SSP.​249.​57
11.
go back to reference Paar, A.: Standard measuring system CC27/T200/SS. Tech. Rep, Anton Paar GmbH, Graz, Austria (2019)
12.
go back to reference Hamedi, N., Revstedt, J., Tornberg, E., Innings, F.: Application of CFD-based correction factors to increase the accuracy of flow curve determination in a couette rheometer. Appl. Rheol. 26(3), 1–12 (2016). https://​doi.​org/​10.​3933/​ApplRheol-26-35341CrossRef
13.
go back to reference Metzner, A.B., Otto, R.E.: Agitation of Non-Newtonian fluids. AIChE J. 3(1), 3–10 (1957). https://​doi.​org/​10.​1002/​aic.​690030103CrossRef
14.
go back to reference Rieger, F., Novák, V.: Power consumption of agitators in highly viscous non-Newtonian liquids. Trans. Ins. Chem. Eng. 51, 105–111 (1973)
15.
go back to reference Carreau, P.J., MacDonald, I.F., Byron Bird, R.: A nonlinear viscoelastic model for polymer solutions and melts-II. Chem. Eng. Sci. 23(8), 901–911 (1968). https://​doi.​org/​10.​1016/​0009-2509(68)80024-7CrossRef
16.
go back to reference Byron Bird, R., Carreau, P.J.: A nonlinear viscoelastic model for polymer solutions and melts-I. Chem. Eng. Sci. 23(5), 427–434 (1968). https://​doi.​org/​10.​1016/​0009-2509(68)87018-6CrossRef

Premium Partners

    Image Credits
    in-adhesives, MKVS, Ecoclean/© Ecoclean, Hellmich GmbH/© Hellmich GmbH, Krahn Ceramics/© Krahn Ceramics, Kisling AG/© Kisling AG, ECHTERHAGE HOLDING GMBH&CO.KG - VSE