Skip to main content
Top

Numerical Design Calculation of T-stubs at Elevated Temperatures

  • Open Access
  • 10-09-2024
Published in:

Activate our intelligent search to find suitable subject content or patents.

search-config
loading …

Abstract

The article focuses on the numerical design calculation of T-stubs at elevated temperatures, crucial for ensuring the safety and structural integrity of steel structures in fire conditions. It introduces the CBFEM method, which combines analytical component methods with finite element analysis to accurately model the behavior of steel connections. The study validates the CBFEM by comparing it with analytical models and experimental results, demonstrating its reliability in predicting resistance and failure modes. The article also highlights the influence of temperature on the material properties and deformation capacity of T-stubs, providing valuable insights for structural fire engineering. The research concludes that the CBFEM can be a reliable method for designing steel connections at elevated temperatures, emphasizing the importance of considering temperature effects in structural design.

Publisher's Note

Springer Nature remains neutral with regard to jurisdictional claims in published maps and institutional affiliations.

1 Introduction

Steel connections play a critical role in structural engineering since they transfer forces and moments between individual structural members. Effective load transfer ensures that the applied loads may be properly distributed over the entire structure. The behaviour of steel connections has a significant influence on the integrity of steel structures. The failure of steel connections may result in the progressive collapse of the whole structure. Elevated temperatures can significantly influence the performance of steel connections in structures. The increase in steel temperatures depends on the severity of the fire, the area of steel exposed to the fire and the amount of applied fire protection [1]. High temperature leads to changes in material properties, loss of strength and stiffness, and potential failure modes of steel connections. As the temperature increases, the yield strength and ultimate tensile strength of steel and bolt decrease. Therefore, the load-carrying of the steel connection may be remarkably influenced by the reduction in strength. Accurate modelling of steel connections at elevated temperatures is important to ensure the safety and structural integrity of the steel structures in a fire. Predicting the behaviour of steel connections has been the object of intensive research over the past 30 years. Cardington’s structural fire test programme [2] and the progressive collapse of the 47-storey steel-framed World Trade Center 7 building [3] on 11 September 2001 have demonstrated the complexity of connection behaviour in fire.
Endplate connections are commonly used in steel structures to connect beams to columns due to several advantages in terms of ease of fabrication, erection, and structural performance. Endplate connections are suitable for various loading conditions. The main components in the tension zone of the bolted endplate connections can be represented using the equivalent T-stub method [4], as seen in Figure 1. First, Zoetemeijer [5] introduced the concept of a T-stub as an important part of the component method. Previous experimental, numerical, and analytical studies investigated the influence of temperature on the response of T-stubs during a fire. Spyrou et al. [6] investigated experimentally and analytically the tension zone components at elevated temperatures. The component-based analytical model was able to accurately predict the failure mechanism of T-stubs. Heidarpour and Bradford [7] developed an analytical model to predict the load-deformation behaviour of a T-stub assembly under fire loading. Barata et al. [8] presented a study to evaluate the response of a welded T-stub component exposed to static loading at elevated temperatures. The test results are utilized to validate a finite element model using solid elements in terms of resistance, stiffness, deformation capacity and failure modes at different temperatures in this paper. Figure 2 indicates the plan view of the layout and tested specimen. The T-stub specimens are single-sided stiff T-stub to consider the reaction. You et al. [9] performed an experimental study to investigate the tensile behaviour of T-stubs connected by Thread-fixed One-side Bolts (TOB) at ambient and elevated temperatures. Gao et al. [10] carried out experimental and numerical studies to analyse the fire resistance behaviour of T-stub joint components.
Figure 1
Endplate connection to T-stub identification [11]
Full size image
Figure 2
Test layout: plan view of the layout (left) and T-stub to be tested (right) [8]
Full size image
The prEN 1993-1-14 outlines two design approaches for finite element models: numerical simulation (NS) and numerical design calculation (NDC). NS extends physical experiments to determine a structure’s direct resistance. It involves using advanced numerical models that include solid elements, measured material properties, geometrical imperfections, and residual stresses to simulate the response of structural components. NS is particularly advantageous for accurately predicting the fire behavior of steel connections. However, it also has drawbacks, such as high computational costs due to the element complexity and challenges in generating high-quality meshes, especially for irregular or complex geometries. The main drawback of analytical models for steel connection design is their inability to capture the nonlinear behavior exhibited by steel connections accurately. They may not be sufficient to accurately evaluate the stress and strain values of steel connections. Therefore, NDC, which is a numerical model and analysis type used for the static design check of a structure as stated in prEN1993-1-14 [12], can be used to calculate the resistance of steel connections. At the design level, analytical models and solid models can be replaced by numerical design calculations for predicting the fire resistance of steel connections. Ghimire et al. [13] presented an NDC method to assess the strength of fillet welds using the shell element S4R with six degrees of freedom in each node. Der et al. [14] validated and verified the component-based finite element model to model bolted steel connections at elevated temperatures. Figure 3 indicates sample models for numerical simulation and numerical design calculation models for T-stubs. Godrich et al. [15] prepared a numerical simulation model using 6-node and 8-node solid elements and a numerical design calculation model using 4-node quadrangle shell elements. In the numerical design calculation model, the bolt shank is modelled by the nonlinear spring and a multi-point constraint is inserted between the bolt shank and the flange nodes.
Figure 3
Numerical models (a) NS, (b) NDC
Full size image
In this study, the CBFEM was used to investigate the fire behaviour of T-stubs. The equivalent T-stub method is an analytical model to simulate the response of the tension zone of bolted joints, which has a significant contribution to the deformability of the whole joint. The verification study on the CBFEM model is performed using the resistance values and failure modes from the analytical model. The CBFEM model is validated based on test results comparing the load-deformation curves, the resistance values and failure modes. The verification and validation studies indicated that the CBFEM model may accurately model the T-stubs at ambient and elevated temperatures. The results highlighted that the recommended 5% plastic limit strain for steel plated elements in EN 1993-1-5 [16] may be applied for steel connection design at elevated temperatures.

2 CBFEM

2.1 General Description

The CBFEM is a method to analyze and design steel connections and steel members. The CBFEM is the combination of the analytical component method and the numerical finite element method (FEM). The finite element method is used to solve the distribution of internal forces, stresses, and strains. Analytical models implemented into FEM as components model the behavior of connectors. The CBFEM takes advantage of accurate modelling of component behaviour based on standards and accuracy of discrete analysis of steel plates by FEM. The CBFEM divides the entire joint into individual components, encompassing steel plates, welds, bolts, anchors, and concrete blocks. Each component has its analysis model [17]:
  • 2D plate/wall finite elements for steel plates of stubs of hot/cold formed cross-section
  • force interpolation constraints for welds
  • nonlinear springs for bolts and anchors
  • contact elements between plates in connections

2.2 Plate Model

The CBFEM model of steel connections may consist of plates, bolts, anchors, and welds as seen in. The consideration of plates is a significant difference from the component method. End plates, element profiles, slender stiffeners, and T stubs are represented as plates connected at joints through constraints in the model. The connection check is performed independently of the size of the elements. The shell element is divided into five integration layers through the element thickness. All plates are meshed with 4-node quadrangle shell elements. Each node is analyzed with consideration for six degrees of freedom: three translations (ux, uy, uz) and three rotations (\(\phi\)x, \(\phi\)y, \(\phi\)z). The element’s deformations are further categorized into membrane and flexural components. The plates are modelled with elastic–plastic material with a nominal yielding plateau slope tan-1 (E/1000) according to EN 1993-1-5 [16], as indicated in Fig. 4. The small yielding slope in the material model provides the numerical stability to the CBFEM model. The von Mises yield criterion governs the material’s response under stress. It is considered to exhibit elastic behaviour until it reaches the design yield strength (fyd). EN 1993-1-5 [16] recommends the value of 5% plastic limit strain for simulating the behaviour of plates.
Figure 4
Elastic–plastic material law with nominal yielding plateau
Full size image

2.3 Bolt Model

The CBFEM adopts a bolt model for components such as bolts in shear, tension, and bolt-hole bearing. Bolts are represented by nonlinear springs with their properties based on design codes. Nonlinear springs are connected for tension in the interaction of bolt shank and bolt head. The bolt in tension is described by the spring with its axial initial stiffness, design resistance, initialization of yielding, and deformation capacity, as shown in Figure 5. The initial axial stiffness is derived analytically in the guideline VDI 2003 [18] and Agerskov [19] as follows:
$$\begin{aligned} D_{LB}&= \frac{L_S+0.4d_b}{E_\theta + A_{SS}}\end{aligned}$$
(1)
$$\begin{aligned} A_{PP}&= 0.75D_H \frac{L_W+D_H}{D^2_{W_1}-D^2_{W_{2}}}\end{aligned}$$
(2)
$$\begin{aligned} A_{P_{1}}&= D^2_H-D^2_{W_{1}}\end{aligned}$$
(3)
$$\begin{aligned} A_{P_{2}}&= \frac{1}{2}\big (D^2_{W_{2}}-D^{2}_H\big )tan^{-1} A_{PP} \end{aligned}$$
(4)
$$\begin{aligned} A_P&=A_{P_{1}}+A_{P_{2}} \end{aligned}$$
(5)
$$\begin{aligned} D_{LW}&=\frac{L_{W}}{E_{\theta } A_{P}}\end{aligned}$$
(6)
$$\begin{aligned} k&=\frac{1}{D_{LB}+D_{LW}} \end{aligned}$$
(7)
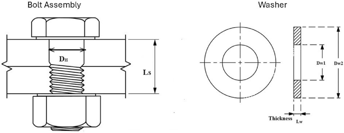
where db is bolt diameter, DH is bolt head diameter, Dw1 and Dw2 are washer inner and outer diameter, LW is washer thickness, Ls is bolt grip length, Ass is bolt gross area and E is the temperature-dependent modulus of elasticity. The geometrical characteristics of bolt and washer are indicated in Figure 6. The force-deformation diagram for bolts in tension is constructed using the following equations:
$$\begin{aligned} k_t&= c_1 k \end{aligned}$$
(8)
$$\begin{aligned} F_{t,El}&= \frac{F_{t,Rd}}{c_1c_2-c_1+1}\end{aligned}$$
(9)
$$\begin{aligned} u_{el}&= \frac{F_{t,el}}{k}\end{aligned}$$
(10)
$$\begin{aligned} u_{t,Rd}&= c_2u_{el}\end{aligned}$$
(11)
$$\begin{aligned} c_1&= \frac{f_{ub,\theta }-f_{yb,\theta }}{0.25AE_\theta -f_{yb,\theta }}\end{aligned}$$
(12)
$$\begin{aligned} c_2&= \frac{AE_\theta }{4f_{yb,\theta }} \end{aligned}$$
(13)
where Ft,Rd is the bolt design resistance in tension, fyb,theta is the yield strength of the bolt, fub,theta is the ultimate strength of the bolt and A is elongation after fracture. The required parameters for building the force-deformation behavior of the bolts in tension are listed in Table 1. These design values are taken from ISO 898 [20]. The limit plastic strain for bolt resistance is 25% of the bolt elongation according to ISO 898 [20]. Figure 4 indicates the theoretical true and engineering stress–strain curves and the material model utilized in the CBFEM. The material behaviour of the steel and bolts introduced in the numerical design calculation are determined based on the results of the tensile coupon tests described in Sect. 3. At elevated temperature, the reduction factors proposed by EN 1993-1-2 [21] are considered.
Figure 5
Behavior of bolts in tension
Full size image
Figure 6
Geometrical characteristics of bolt assembly and washer
Full size image
Table 1
Parameters for the Bolt Behavior in Tension
Bolt grade
A (%)
c1 (–)
c2 (–)
4.8
14
0.011
21.6
5.6
20
0.02
35
6.8
8
0.032
8.8
8.8
12
0.03
9.5
10.9
9
0.026
5

2.4 Contacts

The contact between interacting plates significantly influences the redistribution of forces throughout the connection. The component method does not explicitly consider the contact phenomena. For instance, plate surface interaction can increase tensile stress in the bolt. In CBFEM, the standard penalty method is utilized for simulating contact between plates. In instances of penetration between a node and the opposing plate, penalty stiffness is incorporated via the contact springs. A heuristic algorithm guides the adjustment of penalty stiffness during the nonlinear iteration, improving convergence. The solver automatically detects penetration points and manages the distribution of contact forces between the penetrated node and nodes on the opposing plate.

2.5 Failure Modes and Assumptions in Model

The concept behind CBFEM is determining the stresses and forces using an automatically generated finite element model. Each component is then subjected to code-checks in accordance with national standards. Plates are checked based on the limit strain, while other elements like welds, bolts, anchors, and concrete blocks are assessed using the relevant equations. Plates are considered to fail when the plastic strain reaches 5% as recommended in EN 1993-1-5. Bolts may fail due to shear, tension, bearing, and bolt’s utilization. CBFEM evaluates the forces in the bolt using nonlinear springs and compares them with the corresponding equations in EN 1993-1-8. Fillet welds are checked based on the design resistance and weld utilization according to EN 1993-1-8. The plates and welds are connected using the multi-point constraints.
The CBFEM uses several assumptions in the model. The material behavior that is based on the von Mises yield criterion is assumed to be elastic before reaching the design yield strength. Residual stress and deformation caused by welding are not considered in the design model. The users can set the temperature for each member or plate separately and then material properties (elastic modulus, yield strength and ultimate strength) of the components are degraded by reduction factors proposed in EN 1993-1-2. The temperature of connecting elements (bolts and welds) is assumed to be according to the hottest connecting plate. The plastic strain is assumed to build up starting from the proportionality limit. Thermal expansion is neglected in any models.

2.6 Mesh Study

A mesh sensitivity study is conducted to optimize the computational cost and to assess the accuracy of the numerical design calculation for predicting the fire resistance of T-stubs. The flange width of the T-stub specimen is subdivided into 8 to 40 elements. The minimum and the maximum element size is set as 1 mm and 5 mm, respectively. The influence of the number of elements on the T-stub resistance at 500\(^{\circ }\)C and 600\(^{\circ }\)C is shown in Figure 7. The optimized element number is selected as 16 to divide the plates in CBFEM.
Figure 7
Influence of mesh element number on the resistance: (a) at \(500^{\circ }\hbox {C}\) and (b) at \(600^{\circ }\hbox {C}\)
Full size image

3 Verification

The verification of numerical models may be conducted through analytical models or the validated numerical models [22]. In this section, the CBFEM models are verified based on the analytical models presented in Eurocode 3. IDEA StatiCa Connection [23] was used to develop CBFEM models. The test specimens were taken from the study [8] for the comparison of the CBFEM model with the analytical model (AM). The tested T-stubs were analysed in accordance with EN 1993-1-8 [4], considering the reduction factors for carbon steel and bolts at elevated temperatures presented in EN 1993-1-2 [21]. The resistance of T-stubs was calculated with nominal dimensions as listed in Table 2. The specimens nominated with FL were experimentally studied whereas the specimens nominated with PS were analytically tested in this study in order to increase the accuracy of the CBFEM model. The FL specimens were tested at three different temperature levels: \(20^{\circ }\hbox {C}\), \(500^{\circ }\hbox {C}\), and \(600^{\circ }\hbox {C}\). The resistance of PS specimens was evaluated only at elevated temperatures (\(500^{\circ }\hbox {C}\), and \(600^{\circ }\hbox {C}\)). The geometrical characteristics of T-stub specimens are shown in Figure 8.
Figure 8
The geometrical characteristics of T-stub specimens
Full size image
The measured elastic modulus, yield strength, and ultimate strength values for the flanges are 205.5 MPa, 385 MPa, and 588 MPa, respectively. The measured modulus of elasticity for the M20 bolts, grade 8.8, and for the M24 bolts, 10.9 are 202.5 MPa and 195 MPa, respectively. The yield strength and the ultimate strength of grade 8.8 were measured as fy is 684 MPa; fu is 1002 MPa. For bolt grade 10.9, 942 MPa and 1293 MPa are values for the yield strength and the ultimate strength. The 20 mm flange is fastened using M24 bolts with a grade of 10.9, while the flanges with 10 mm and 15 mm thickness are bolted with M20 bolts of grade 8.8. In the parametric studies, the bolt diameter is decreased to M16 for the specimen PS-1 using the flange with 15 mm thickness. The second parametric study (PS-2) is prepared to investigate the effect of the end distance (m) on the behaviour of T-stubs with 20 mm thick flange. The width of the flange is increased to 200 mm in the specimen PS-3. Parametric studies were performed at \(500^{\circ }\hbox {C}\) and \(600^{\circ }\hbox {C}\). Table 2 summarizes the geometrical dimensions of the T-stub specimens used in the verification study. All dimensions presented in Table 2 are in mm. Figure 9 shows the comparison between AM and CBFEM for the calculated resistance of T-stub specimens. The y-axis indicates the resistance values of T-stubs obtained from AM, whereas the CBFEM resistance values are shown in the x-axis. The R-squared values are found as 0.993 for both cases in Figure 9, the CBFEM can be considered a reliable method instead of analytical models for structural fire designers.
Table 2
Nominal Dimension Values for Geometrical Characteristics of T-stub Specimens
Specimen
\(t_p\)
\(b_p\)
\(h_p\)
c
n
m
FL-10
10
105
170
110
30
52.5
FL-15
15
105
170
110
30
52.5
FL-20
20
105
185
120
32.5
52.5
PS-1
15
105
170
110
30
52.5
PS-2
20
125
185
120
32.5
62.5
PS-3
10
105
200
120
40
52.5
Figure 9
Comparison between AM and CBFEM for predicting resistance of T-stub
Full size image
Table 3 compares the design values obtained from the analytical calculations, in accordance with EN1993-1-8 [4] with the numerical design calculations and indicates that the predicted resistance and failure modes from CBFEM and the analytical resistance and failure modes are consistent. The tested specimens are nominated as the abbreviation of the flange, the thickness of the flange and the temperature level. In all cases, the AM to CBFEM ratios are ranging from 0.9 to 1.1. The mean value of the ratio between the results from AM and CBFEM is 0.99. In the case of failure Mode 2, sometimes the CBFEM predicts the resistance of T-stubs slightly higher than the analytical resistance.
Table 3
Resistance Values and Failure Modes: AM vs CBFEM
Specimen
AM
CBFEM
RCBFEM/RAM
Resistance (kN)
Failure mode
Resistance (kN)
Failure mode
FL-10-20
114.60
Mode 1
114.22
Mode 1
1.00
FL-10-500
89.39
Mode 1
82.83
Mode 1
0.93
FL-10-600
45.55
Mode 2
46.3
Mode 2
1.02
FL-15-20
217.78
Mode 2
198.87
Mode 1
0.91
FL-15-500
134.81
Mode 2
149.44
Mode 2
1.11
FL-15-600
64.25
Mode 2
62.99
Mode 2
0.98
FL-20-20
413.65
Mode 2
375.98
Mode 1
0.91
FL-20-500
253.63
Mode 2
279.4
Mode 2
1.10
FL-20-600
119.40
Mode 2
117.68
Mode 2
0.99
PS-1-500
104.70
Mode 2
109.15
Mode 2
1.04
PS-1-600
50.00
Mode 3
45
Mode 3
0.90
PS-2-500
270.50
Mode 2
291.25
Mode 2
1.08
PS-2-600
129.56
Mode 2
122.4
Mode 2
0.94
PS-3-500
77.23
Mode 1
76.8
Mode 1
0.99
PS-3-600
46.53
Mode 2
43.68
Mode 2
0.94
The main components in the bolted end-plate connection can be represented using equivalent T-stubs which have been traditionally applied to represent the components in the tension zone. Figure 10 displays the three possible failure modes for T-stubs [4]:
1.
Complete yielding of the flange
 
2.
Bolt failure with yielding of the flange
 
3.
The T-stub flange remains elastic until the fracture of the bolts.
 
Figure 10
Failure modes for T-stubs
Full size image
Figure 11 shows the cases of three different failure modes for T-stubs obtained from the CBFEM models. The percentage for plates represents the plastic limit strain value for steel plates in Figure 11. Due to the convergence issues in the CBFEM the plastic limit srain is increased from 5% to 5.5% to run the analysis in Figure 11a. In Mode 1, the flange of T-stubs completely yields and the CBFEM evaluates the plastic strain on the flange as 5%. The EN 1993-1-5 recommends the 5% plastic strain for steel plates to predict the resistance of steel connection components. Therefore, the CBFEM ends the analysis while the steel plate reaches 5% plastic strain before bolts or welds perform their full ultimate capacity. The percentage for weld and bolt represents the utility ratios. The resistance checks of tension, punching, shear, bearing, and utilization in tension and shear bolt are calculated based on EN 1993-1-8 [4]. Weld resistance check and stress utilization are evaluated using equations presented in Eurocode, as well. EN 1993-1-8 [4] defines the failure Mode 2 as the yielding of a flange in addition to the bolt failure. As stated in EN 1993-1-2 [21], the bolts use their full ultimate capacity with the occurrence of 4.18% plastic strain in the steel flange. The T-stub flange maintains its elasticity until the bolts fracture in Mode 3. As seen in Figure 11c, the steel flange has only 0.4% plastic strain before the bolts reach full capacity. Table 3 presents the comparison of the resistance and failure modes obtained from the AM and the CBFEM. Generally, the same failure modes were obtained in the CBFEM models as the AM predicts. Only two test specimens exhibited different failure modes considering the analytical and CBFEM models. For the specimen FL-15-20, the AM evaluates the resistances of Mode 1 and Mode 2 as 276 kN and 218 kN, respectively. CBFEM predicts the failure of the specimens with thickness of 15 mm and 20 mm at ambient temperature as mode 1, whereas failure mode 2 is predicted by the analytical model. However, the bolt capacity reaches 90.4% for these specimens, but the specimen FL-10-20 uses only 70% of bolt strength. Therefore, the same failure mode is obtained from the analytical model and CBFEM for specimens with flange thickness of 10 mm. The disparity in the numerical model and analytical model predictions at ambient temperature for FL20-15 and FL20-20 is the load transfer between welds and flanges. The plate strain of flanges increases due to the force induced by the weld. Numerical models can incorporate these effects, whereas analytical models usually neglect them. The interaction between flange and weld results in the yielding of plate before bolt fails. Table 4 indicates the plastic strain of the steel flange and the bolt capacity ratio of the tested specimens measured in the CBFEM models. The plastic limit strain is obtained on the steel flange of the specimen FL-15-20 whereas the bolt capacity reaches 91.7% which is highly close to the full capacity. A similar situation happened for the test specimen with 20 mm flange thickness at ambient temperature. The used bolt capacity of the specimen FL-20-20 is slightly higher than the specimen FL-15-20.
Figure 11
Failure modes obtained from the CBFEM: (a) Mode 1; (b) Mode 2; (c) Mode 3
Full size image
Table 4
Resistance Values and Failure Modes: Experiment vs CBFEM
Specimen
Experiment
CBFEM
RCBFEM/REXP
Resistance (kN)
Failure mode
Resistance (kN)
Failure mode
T10-20
170.45
b, d
114.22
PS = 5%, BC = 71.3%
0.67
T10-500
137
a, c
83.7
PS = 5%, BC = 77.3%
0.61
T10-600
43.9
a, c
46.3
PS = 4.18%, BC = 100%
1.05
T15-20
295.9
b, d
198.87
PS = 5%, BC = 91.7%
0.67
T15-500
177
a, c, d
149.44
PS = 3.69%, BC = 100%
0.84
T15-600
77.8
b
62.99
PS = 0.77%, BC = 100%
0.81
T20-20
494.15
a
375.98
PS = 5%, BC = 93.4%
0.76
T20-500
335
b, d
279.4
PS = 3.96%, BC = 100%
0.83
T20-600
187
a, c, d
117.68
PS = 0.82%, BC = 100%
0.63

4 Validation

This section presents the validation of the CBFEM model using experimental results [8]. The CBFEM model is validated in terms of the load-deformation curves, resistance, and failure modes. The experimental study involves nine test specimens with three different thicknesses of flange (tf is 10 mm, 15 mm, and 20 mm), two different bolts (M20, grade 8.8 and M24, grade 10.9) and three temperature levels (\(20^{\circ }\hbox {C}\), \(500^{\circ }\hbox {C}\) and \(600^{\circ }\hbox {C}\)). Figure 12 demonstrates the load-deformation curves from the experimental study (solid lines) and the CBFEM (dashed lines) for the test specimens with three different thickness values. It can be seen that the CBFEM models can safely predict the global behaviour of the T-stub component at ambient temperature and \(500^{\circ }\hbox {C}\) up to the failure defined for steel connection components in Eurocode 3. At \(600^{\circ }\hbox {C}\), the prediction of the T-stub response is accurately consistent with the recorded graphs. The numerical curve only exceeds the experimental graph at \(600^{\circ }\hbox {C}\) after the failure deformation of the tested specimen FL-15.
Figure 12
Comparison of test results with the CBFEM results: (a) Thickness of the flange is 10 mm; (b) Thickness of the flange is 15 mm; (c) Thickness of the flange is 20 mm
Full size image
Table 4 lists the comparison of resistance values and failure modes between test results and the CBFEM models. PS refers to the plastic strain on steel flange and BC means the bolt capacity. During the experimental study, the authors observed the following failures: (a) weld fracture, (b) bolt fracture, (c) the flange crack near the weld toe, and (d) the yielding of the flange. Since there was no information on the material properties of welding metal, the fillet welds in the CBFEM were designed so that no failure could be observed. As can be seen in Table, the CBFEM provides conservative resistance values compared to the test results. The measured resistance is only 5% higher than the calculated resistance for specimen T10-600. The logic behind this difference can be modelling of the fillet welds because the weld failure was observed during the test, but the weld cannot fail in the developed model due to the lack of material properties. Numerical design calculation models failed due to the plastic limit strain or the use of bolt full capacity.
To avoid joint failure in steel structures, the components in the joint must have sufficient ductility to increase the deformation capacity of the joint. Temperature has an important influence on the deformation capacity of the T-stub [8]. The T-stub specimens are selected to investigate the response of the components in tension that have high deformation capacity. Numerical calculations are used to calculate ductility indices for each temperature. The ductility index corresponds to the relation between the T-stub displacement at the targeted temperature and the T-stub displacement at ambient temperature. Ductility indices of the specimens with three different thicknesses for each temperature are shown in Figure 13. In numerical design calculation, the ductility index of T-stubs depends on the temperature and failure modes. Concerning the ductility; when the failure mode relates to bolt failure the deformation capacity of the T-stubs decreases at elevated temperature. However, the elevated temperature increases ductility when the specimens experience plate failure.
Figure 13
Ductility index for specimens at different temperatures
Full size image
Parametric studies were performed to understand the effect of temperature better on the response of T-stubs specimens for each flange thickness. \(400^{\circ }\hbox {C}\) and \(700^{\circ }\hbox {C}\) were added to the studied temperature levels. Figure 14 demonstrates the load-deformation curves predicted from the numerical design calculations for the extended temperature level. The initial stiffness and resistance decline with the increase in temperature for the examined T-stubs, as listed in Table 5.
Figure 14
Load-deformation curves of the T-stubs for the complete range of temperatures: (a) Thickness of the flange is 10 mm; (b) Thickness of the flange is 15 mm; (c) Thickness of the flange is 20 mm
Full size image
Table 5
Stiffness Values: Experiment vs CBFEM
Specimen
Eurocode (kN/mm)
Experiment (kN/mm)
CBFEM (kN/mm)
T-10-20
123.21
171.4
130.27
T-15-20
387.62
261
286.37
T-20-20
730.52
576.2
424.61
T-10-500
73.92
68
81.42
T-15-500
232.57
172
199.20
T-20-500
438.31
210
241.07
T-10-600
38.19
53
41.97
T-15-600
120.16
66
102.09
T-20-600
226.46
108
163.84
Figure 16 depicts the evolution of the plastic strain in flange and the tension bolt force according to temperature ranging from \(400^{\circ }\hbox {C}\) to \(700^{\circ }\hbox {C}\). The T-stub specimen with 10 mm thickness is selected for conducting the parametric study. The plastic strain distribution in the specimen FL-10 at ambient temperature is shown in Figure 7a. The specimen chosen is designed to fail in Mode 1. However, the failure mode of the specimen is changed from 1 to 2 at \(600^{\circ }\hbox {C}\) and \(700^{\circ }\hbox {C}\). It proves that the temperature has a significant effect on the failure mode of the T-stub components. Catenary action is a structural mechanism that changes the applied loads to the connections. Axial restraints can induce catenary action at elevated temperatures. Therefore, the effect of the load combinations on the behaviour of T-stubs at \(600^{\circ }\hbox {C}\) was studied by applying bending moment ( from 0 kN.m to 6 kN.m) to the test specimen with 15 mm thickness. The axial load capacity of the selected specimen is 64.36 kN without any bending moment. When 6 kN.m of bending moment is applied to the specimen, the axial load capacity decreases from 64.36 kN to 10.8 kN. Figure 15 highlights the importance of force combination over the load capacity.
Figure 15
Combination of axial force and bending moment on T-15-600
Full size image

5 Discussion and Conclusion

This paper presented a CBFEM model to investigate the behavior of T-stubs at elevated temperatures. The equivalent T-stub method proposed in EN 1993-1-8 [4] was used to verify the CBFEM model in terms of resistance and failure modes. The CBFEM model was validated based on test results evaluating the load-deformation curves, fire resistances and failure modes. To predict the resistance of the T-stubs at ambient and elevated temperatures, the 5% plastic limit strain recommended in EN 1993-1-5 for steel plate elements and the analytical model for the bolts in tension proposed in EN 1993-1-8 were used in the CBFEM model. The influence of temperature on the resistance is considered using the reduction factors for carbon steel and bolt presented in EN 1993-1-2. The parametric study was carried out to investigate the influence of different temperature levels (ranging from \(20^{\circ }\hbox {C}\) to \(700^{\circ }\hbox {C}\)) on the load-deformation curves and the failure modes of T-stub specimens. Based on the verification and validation studies, the following conclusions are drawn:
1.
The CBFEM may be considered a reliable method instead of analytical models to design steel connections at elevated temperatures, since the CBFEM model is able to capture the stress and strain values of steel connections using the advantages of finite element models and it performs code-check to assess the components of steel connections.
 
2.
The results showed that the recommended plastic limit strain may be used to calculate the resistance of steel connections at elevated temperatures.
 
3.
Fire design of endplate connections are crucial for structural fire engineering because the parametric study highlighted that the temperature has a remarkable effect on the load-deformation curves and the failure modes of T-stubs which are defined as the main component of the endplate connections in EN 1993-1-2 (Figure 16).
Figure 16
The influence of the elevated temperatures on the plastic strain and the bolt force at: (a) 400°C; (b) 500°C; (c) 600°C; (d) 700°C
Full size image
 
Furthermore, the results obtained from this study allow structural design engineers to design the steel connections using the CBFEM at elevated temperatures. However, this re-search study has limitations and some pertinent issues have not been addressed, which could lead to an improved design of steel connections at elevated temperatures. For future research work, the following recommendations are described as follows:
  • Investigating the influence of temperature on the stiffness of T-stub specimens;
  • Increasing the number of connection types modelling with the CBFEM models to ensure the reliability of the CBFEM model;
  • Analyzing the realistic connection behavior in steel frames at elevated temperatures to investigate the thermal restraints.

Declarations

Conflict of interest

The authors declare no conflict of interest.
Open Access This article is licensed under a Creative Commons Attribution 4.0 International License, which permits use, sharing, adaptation, distribution and reproduction in any medium or format, as long as you give appropriate credit to the original author(s) and the source, provide a link to the Creative Commons licence, and indicate if changes were made. The images or other third party material in this article are included in the article's Creative Commons licence, unless indicated otherwise in a credit line to the material. If material is not included in the article's Creative Commons licence and your intended use is not permitted by statutory regulation or exceeds the permitted use, you will need to obtain permission directly from the copyright holder. To view a copy of this licence, visit http://​creativecommons.​org/​licenses/​by/​4.​0/​.

Publisher's Note

Springer Nature remains neutral with regard to jurisdictional claims in published maps and institutional affiliations.
Title
Numerical Design Calculation of T-stubs at Elevated Temperatures
Authors
Batuhan Der
František Wald
Martin Vild
Publication date
10-09-2024
Publisher
Springer US
Published in
Fire Technology / Issue 2/2025
Print ISSN: 0015-2684
Electronic ISSN: 1572-8099
DOI
https://doi.org/10.1007/s10694-024-01626-5
1.
go back to reference Buchanan AH, Abu AK (2017) Structural design for fire safety. Wiley, Hoboken, pp 115–153. https://​doi.​org/​10.​1002/​9781118700402.​ch5CrossRefMATH
2.
go back to reference Bailey C, Newman G, Robinson J et al (2006) Fire safe design: a new approach to multi-storey steel-framed buildings. Steel Construction Institute, AscotMATH
3.
go back to reference Gross JL, McAllister T (2005) Structural fire response and probable collapse sequence of the world trade center towers. National Institute of Standards and Technology, Technology Administration
4.
go back to reference EN1993-1-8: Eurocode 3: design of steel structures. Part 1-8: design of joints. European Committee of Standardization, Bruxelles (2005)
5.
go back to reference Zoetemeijer P (1974) A design method for the tension side of statically loaded, bolted beam-to-column connections. HERON 20(1):1974MATH
6.
go back to reference Spyrou S, Davison J, Burgess I, Plank R (2004) Experimental and analytical investigation of the ‘tension zone’ components within a steel joint at elevated temperatures. J Constr Steel Res 60(6):867–896. https://​doi.​org/​10.​1016/​j.​jcsr.​2003.​10.​006CrossRef
7.
go back to reference Heidarpour A, Bradford MA (2008) Behaviour of a t-stub assembly in steel beam-to-column connections at elevated temperatures. Eng Struct 30(10):2893–2899. https://​doi.​org/​10.​1016/​j.​engstruct.​2008.​04.​007CrossRefMATH
8.
go back to reference Barata P, Ribeiro J, Rigueiro C, Santiago A, Rodrigues JP (2014) Assessment of the t-stub joint component at ambient and elevated temperatures. Fire Saf J 70:1–13. https://​doi.​org/​10.​1016/​j.​firesaf.​2014.​08.​009CrossRef
9.
go back to reference You Y, Liu M, Liu Y, Wang P, Zhou S, Chen J (2020) Experimental studies on thread-fixed one-side bolted t-stubs in tension at elevated temperatures. J Constr Steel Res 171:106139. https://​doi.​org/​10.​1016/​j.​jcsr.​2020.​106139CrossRef
10.
go back to reference Gao F, Liu Z, Guan X (2021) Fire resistance behavior of t-stub joint components under transient heat transfer conditions. Eng Struct 237:112164. https://​doi.​org/​10.​1016/​j.​engstruct.​2021.​112164CrossRefMATH
11.
go back to reference Girao Coelho A, Silva L, Bijlaard F (2006) Finite-element modeling of the nonlinear behavior of bolted t-stub connections. J Struct Eng-ASCE. https://​doi.​org/​10.​1061/​(ASCE)0733-9445(2006)132:​6(918)CrossRefMATH
12.
go back to reference prEN1993-1-14: Eurocode 3: design of steel structures—part 1-14: design assisted by finite element analysis (2020)
13.
go back to reference Ghimire A, Wald F, Vild M, Kabeláč J (2024) Numerical design calculation of the high-strength steel welds. Eng Struct 300:117201. https://​doi.​org/​10.​1016/​j.​engstruct.​2023.​117201CrossRef
14.
go back to reference Der B, Wald F, Vild M (2023) Modelling of bolted joints in fire using the component-based finite element method. ce/papers 6(3–4):2103–2107. https://​doi.​org/​10.​1002/​cepa.​2485CrossRefMATH
15.
go back to reference Gödrich L, Wald F, Kabelác J, Kuríková M (2019) Design finite element model of a bolted t-stub connection component. J Constr Steel Res 157:198–206. https://​doi.​org/​10.​1016/​j.​jcsr.​2019.​02.​031CrossRef
16.
go back to reference EN1993-1-5: Eurocode 3: design of steel structures-part 1-5: general rules-plated structural elements. European Committee of Standardization, Bruxelles (2006)
17.
go back to reference Sabatka L, Wald F, Kabelac J, Kolaja D, Pospisil M (2015) Structural analysis and design of steel connections using component-based finite element model. J Civ Eng Archit. https://​doi.​org/​10.​17265/​1934-7359/​2015.​08.​002CrossRef
18.
go back to reference Ingeneure VD (2003) VDI 2230: systematic calculation of high duty bolted joints. VDI-Gesellschaft Entwicklung Konstruktion Vertrieb
19.
go back to reference Agerskov H (1976) High-strength bolted connections subject to prying. J Struct Div 102(1):161–175CrossRefMATH
20.
go back to reference ISO E (2009) 898–1. Mechanical properties of fasteners made of carbon steel and alloy steel–part 1: Bolts, screws and studs with specified property classes–coarse thread and fine pitch thread. CEN, BelgiumMATH
21.
go back to reference EN1993-1-2: Eurocode 3: design of steel structures, part 1–2: general rules, structural fire design, 2005. CEN, Brussels (2005)
22.
go back to reference Wald F, Kwasniewski L, Gödrich L, Kurejková M (2014) Validation and verification procedures for connection design in steel structures. In: 12th international conference on steel, space and composite structures. pp 111–120