Zum Inhalt

Towards a traceable divider for composite voltage waveforms below 1 kV

  • Open Access
  • 09.08.2021
  • Original Paper
Erschienen in:

Aktivieren Sie unsere intelligente Suche, um passende Fachinhalte oder Patente zu finden.

search-config
loading …

Abstract

Der Artikel untersucht die kritische Notwendigkeit rückführbarer Spannungsteiler im Kontext des Hochspannungsnetzmanagements, das durch die zunehmende Nutzung erneuerbarer Energiequellen angetrieben wird. Es geht auf die Unzulänglichkeiten aktueller normativer Standards und den Mangel an Kalibrierdiensten für Komposit- und kombinierte Spannungswellenformen ein. Das europäische Projekt HV-com 2 wird vorgestellt, das darauf abzielt, einen modularen universellen Spannungsteiler für präzise Messungen zu entwickeln. Die Arbeit bei INRIM konzentriert sich auf die Prototypisierung eines Teilers, der für Verbundspannungsmessungen geeignet ist, mit detaillierten Studien über seine Schrittreaktion und die Kalibrierung des Skalenfaktors. Der Artikel diskutiert auch die Herausforderungen und Lösungen beim Erreichen eines zuverlässigen und rückverfolgbaren Trenners und unterstreicht die Bedeutung dieser Forschung für die Zukunft der Prüfung von Hochspannungsnetzen.

Publisher's Note

Springer Nature remains neutral with regard to jurisdictional claims in published maps and institutional affiliations.

1 Introduction, state of the art

Recently, the increase in electricity generation from renewable sources has changed the management of the high-voltage grid with the need to verify that the devices connected to the network are suitable for this change. For this reason, it is important that all the equipment of the network meets the requirements of the relevant standards as [1]. Therefore, the grid elements must be submitted to tests as the application of composite and combined wave shapes to verify whether they withstand the electrical phenomena to which they are submitted according to the product standards and general requirements for high-voltage measurements [2, 3]. For example, transformers, gas-insulated systems or high-voltage cables are frequently submitted to composite or combined wave shapes so the tests to which they are submitted usually consist in the application of lightning (LI) or switching (SI) impulses superimposed to high AC or DC voltages (HVAC and HVDC). Unfortunately, there is a lack in the relevant normative as it considers measurement systems and voltage dividers of test laboratories suitable for composite and combined voltages by calibrating them vs. these voltages separately. As these shapes presumably interfere each other, this calibration rule by the current normative does not give confidence that the systems and dividers are correct references if submitted to such voltages simultaneously. This could be an incorrect traceability of the wave shapes leading to possible incorrect test results. As currently, there are no references and no calibration services for composite and combined wave shapes, their resultants have to be investigated to obtain traceable and reproducible measurement set-ups to validate electrical devices when submitted to these shapes. For this reason, the Project 19NRM07 HV-com2 has been established asking to European National Metrology Institutes (NMIs) to investigate the problems concerning the traceability and reproducibility of the measurements in these tests, thus supporting and reviewing the current normative to standardize the same tests. In [14], the definitions of combined and composite voltages with respect to the device to which they are applied and a description of the main waveforms and test set-ups for both of them are given. The project implies also the development of a test circuit for combined and composite waveforms at voltages lower than 1 kV for a simplified study of the problem. At INRIM, as partner of the project, the attention has been paid on this last task focusing on tests with composite voltages. An aim of the European project is “New reference voltage dividers for superimposed voltages will be designed and set up”. A task is “a modular universal voltage divider (a traceable reference system) will be designed and built for use in the calibration of the measurement systems that have been designed for measuring composite and combined waveforms”. Such a divider is not currently available. As part of this task, the peculiarity of our work has been the prototyping of a divider suitable for measurements of composite waveforms aboard a device under test reproducing at best the working conditions of such devices or the conditions under which they are submitted in the tests for their validation. The phenomenon and the influence of the elements of the test set-up on the measurement have been studied. At this stage, a low-voltage set-up has been used as suggested by the European project to perform preliminary tests and research. The traceability of the scale factor of the divider vs. National Standards has been also verified and exploited. These studies will be useful to extend the research to a full-scale divider, capable to divide properly DC, AC, LI an SI simultaneously. The work consisted first in the study of the problem through simulation and then in the choice of a divider to modify to comply with the required characteristics for the impulse test. In this paper, the attention has been paid to the set-up of the divider and in its calibration in terms of step response and of scale factor measurement.

2 The INRIM divider

Voltage dividers have played and still play a strategic role in metrology for low and high DC [514], AC [1518] and impulse voltages [1921] At INRIM, a test set-up involving a divider with a sinusoidal and a LI generators has been simulated with the LT-spice program. Simulations with single generators (LI and sinusoidal) and with composite voltages have been carried out. After this stage, a resistive–capacitive divider (compensated voltage divider), available at the INRIM High Voltage and High Power Laboratory (LATFC), has been selected to be modified to comply with the requirements of [2] in terms of step response and scale factor and to employ it in a test set-up with composite voltages. This work followed another resistive–capacitive divider realization for medium voltages at INRIM [22]. Figures 1, 2, 3 show, respectively, the scheme of the high-voltage arm and the internal photographs of the high- and low-voltage arms of the original divider. Figure 4 shows instead the scheme of the low-voltage arm. The resistors on the capacitive side regulate the dynamic behaviour of the high-voltage arm, as their values affect the time constant of the RC circuit. As shown in Fig. 1 the total resistance is RAT = 6 MΩ, while the nominal capacitance is CAT = 780 pF.
Fig. 1
INRIM divider: scheme of the high-voltage arm
Bild vergrößern
Fig. 2
Divider high-voltage arm: 1. connection for the low arm; 2. ceramic capacitors; 3. RC side resistors; 4. insulating column; 5. resistive side resistors
Bild vergrößern
Fig. 3
INRIM divider: photograph of the low-voltage arm of the original divider performing the ratio 200. It can be replaced to obtain different ratios. At the ends, two metal discs form the short circuit to put all devices in parallel
Bild vergrößern
Fig. 4
Scheme of the low-voltage arm of the original divider with concentrated parameters. It consists in a resistor RBT = 30.15 kΩ, a resistance network forming RCBT = 0.2287 Ω and a capacitance network forming CBT = 152.2 nF
Bild vergrößern

3 Calibration of the divider

As suggested in [3] the divider has to be calibrated with an alternative method consisting in the step response tests and in the scale factor calibration.

3.1 Step response tests

With the step response tests, it is possible to evaluate the dynamic behaviour of the reference measuring systems to the higher equivalent frequency of lighting impulse, validating the divider for this kind of waveforms. The first test was carried out with a step generator, which provides the required waveform by means of a mercury switch avoiding voltage bounce effects of the switch contacts. Since the step generator works better in closing due to the presence of a mercury relay, the step has been made going down. A LabVIEW program was written to analyse the divider step response. The normalized response to the step g(t) and the integral step response, as defined in [3], of the original divider are shown, respectively, in Figs. 5 and 6.
Fig. 5
Step response of the original divider
Bild vergrößern
Fig. 6
Integral response of the original divider
Bild vergrößern
Comparing to the requirements in [3], a “slow” response of the divider is observed. In fact, it takes more than 200 ns to reach the regimen. Such a delay did not represent correctly the measured impulse effect. In Table 1, the response parameters of the original divider are listed.
Table 1
Response parameters to the step voltage of the original INRIM divider
Parameter
TN
ts
β
Tα
Obtained
70.05 ns
220 ns
0.6717%
70.15 ns
Recommended
 ≤ 15 ns
 ≤ 200 ns
 
 ≤ 30 ns
Here TN and ts are, respectively, the experimental and settling times [3]. As a consequence, the divider has been modified in successive steps adjusting its low-voltage arm checking its new performances in step response. The changes concerned only the resistors in series with the capacitors. Table 2 and Figs. 7 and 8 show, respectively, the parameters and the responses after the final change.
Table 2
Response parameters to the step voltage after the third change
Parameter
TN
ts
β
Tα
Obtained
27.25 ns
161 ns
0.7431%
25.71 ns
Recommended
 ≤ 15 ns
 ≤ 200 ns
 
 ≤ 30 ns
Fig. 7
Divider step response after the third change. In orange and blue, respectively, the behaviour of g(t) before and after the changes on the divider
Bild vergrößern
Fig. 8
Divider integral response after the third change
Bild vergrößern
The oscillations in the wave front are probably due to the connection of the divider at the test set-up without a damper. In a full-scale divider, the study of the damper is mandatory but at this preliminary stage, the improvement of a damped connection has not been investigated due to the small size of the divider (and of its low resistance value) in comparison with the test set-up. It should be necessary putting a damper with a resistance value higher than that of the divider itself changing the divider ratio so impairing the measurement. In addition, for the purpose of this work, a greater bandwidth does not change the results of the measurements and the preliminary evaluations on the composite waveforms. A better bandwidth will be achieved for the full-scale divider.
In Fig. 7, it can be observed the comparison of the function g(t) before and after the change. After the change, the divider has a faster response than the original version, with improvement to transient phenomena detection. Table 2 shows that two of the three parameters are satisfied, ts and Tα, while TN is still higher than the recommended value. Despite this, it was decided not to make further changes as our aim has been not to realize a reference divider, but a device with a satisfactory step response to involve in an experimental test circuit.

3.2 Measurement of the scale factor of the divider

According to [3], the scale factor F of a conversion device is the factor that, multiplied by the output voltage of the device, gives the input voltage to be measured. The scale factor of a measurement system is determined through a calibration usually by comparison with a reference measurement system or as the product of the scale factors of its components. Repeating its evaluation at different voltages, the linearity of the scale factor is obtained. The scale factor F is obtained as mean value of all the scale factors at different voltages. The scale factor calibration of the modified divider has been made by means a voltage ratio method with the measurement set-up of Fig. 9 in both DC and AC voltage from 20 Hz to 200 kHz. For the measurement, a J. Fluke 5502E calibrator and a precision digital Multimeter (DMM) HP 34401A were used, respectively, to supply the voltage and to measure the voltage at the output of the divider. In Fig. 10, the scale factor value at different frequencies is reported.
Fig. 9
Scheme of the measurement set-up for the scale factor measurement. The calibrator supplies the divider terminals while the DMM measures the voltage of the low-voltage side of the divider
Bild vergrößern
Fig. 10
Dependency vs. frequency of the scale factor of the INRIM divider
Bild vergrößern
The obtained scale factor F has been 189.7. The mostly different value from the others has been detected at DC voltage (193.2) with a deviation from F of 1.85% higher than the required value (1%) by the standards for the use in composite voltages (i.e. at several frequencies) [2]. The divider has been therefore further modified to improve its frequency response. Since the largest deviation occurred in DC voltage, the resistive side of the low-voltage arm of the divider has been modified. The low side resistance before the change was RBT = 31.317 kΩ, while the high-voltage resistance has been RAT = 6 MΩ. The desired scale factor, including the frequency up to 5 kHz, has been F = 188. Being F for DC voltage:
$$ F = \frac{{R_{{{\text{AT}}}} + R_{{{\text{BT}}2}} }}{{R_{{{\text{BT}}2}} }} $$
(1)
$$ R_{{{\text{BT}}2}} = \frac{{R_{{{\text{AT}}}} }}{F - 1} = 32.12 k\Omega $$
(2)
$$ \Delta R = R_{{{\text{BT}}2}} - R_{{{\text{BT}}}} \cong 800 {\Omega } $$
(3)
RBT had to be increased of 800 Ω. After the change, it has been verified that the step response has been not significantly modified. A new calibration of the scale factor has been then performed whose results are shown in Fig. 11. The value that differed most from the others has been detected at 50 Hz (188.72), but its deviation from F = 187.5 has been 0.68%.
Fig. 11
Dependency vs. frequency of the scale factor of the INRIM divider after last change. The error bars correspond to the expanded uncertainties at 2σ confidence level [23]
Bild vergrößern
To complete the calibration, the scale factor has been measured in a wide frequency range for each voltage. In Fig. 12, the behaviour of the scale factor vs. voltage is shown.
Fig. 12
Dependency of the scale factor of the INRIM divider vs. voltage after last change. In this figure, each point is the mean of the scale factors evaluated at DC and at the frequencies of 50 Hz, 75 Hz, 100 Hz, 200 Hz, 500 Hz, 1 kHz, 2 kHz, 5 kHz, 10 kHz, 20 kHz, 50 kHz, 100 kHz and 200 kHz. The error bars correspond to the expanded uncertainties at 2σ confidence level
Bild vergrößern
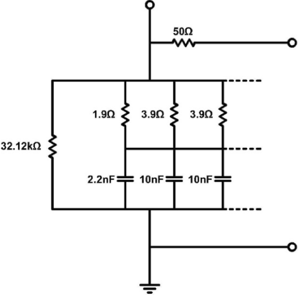
The scale factor has been considered almost constant vs. voltage and frequency since all the variations have been within the acceptable 1% limit. In Figs. 13 and 14, the scheme of the low-voltage arm and a photograph of the final version of the divider are shown.
Fig. 13
Scheme of the final divider low-voltage arm. It consists in a resistor RBT = 32.12 kΩ, a resistance network forming RCBT = 0.388 Ω and a capacitance network forming CBT = 152.2 nF
Bild vergrößern
Fig. 14
Photograph of the INRIM divider in its final stage
Bild vergrößern

3.3 Calibration uncertainties

As one aim of European Project 19NRM07 HV-com2 is also “the determination of the uncertainty of the existing voltage dividers and measurement systems”, examples of uncertainty evaluation, according to [23], of the calibration of the divider scale factor in two cases are given: one for DC voltage and the other for AC voltage. The measurement model can be written as:
$$ F = \frac{{V_{{{\text{cal}}\_{\text{acc}}}} + V_{{{\text{cal}}\_{\text{cal}}}} }}{{V_{{{\text{DMM}}\_{\text{acc}}}} + V_{{{\text{DMM}}\_{\text{cal}}}} }}r $$
(4)
where:
  • F(≅ 186) is the unknown scale factor of the divider;
  • Vcal_acc is the voltage supplied by the calibrator (≅ 1000 V) whose standard uncertainty corresponds to the one-year accuracy specifications of the calibrator;
  • Vcal_cal is an additive voltage (≅ 0 V) whose standard uncertainty is obtained from the calibration certificate of the calibrator;
  • VDMM_acc is the voltage measured by the DMM (≅ 5 V) whose standard uncertainty corresponds to the one-year accuracy specifications of the DMM;
  • VDMM_cal is an additive voltage (≅ 0 V) whose standard uncertainty is obtained from the calibration certificate of the DMM;
  • r ≅ 1 is a corrective factor of the voltage ratio measurements whose standard uncertainty is the standard deviation of the mean of the r measurements.
The standard uncertainty of F is:
$$ \begin{aligned} u^{2} \left( F \right) & = \left( {\frac{r}{{V_{{{\text{DMM}}_{{{\text{acc}}}} }} + V_{{{\text{DMM}}_{{{\text{cal}}}} }} }}} \right)^{2} \left[ {u^{2} \left( {V_{{{\text{cal}}_{{{\text{acc}}}} }} } \right) + u^{2} \left( {V_{{{\text{cal}}_{{{\text{cal}}}} }} } \right)} \right] \\ & \quad + \left( {\frac{{r\left( {V_{{{\text{cal}}_{{{\text{acc}}}} }} + V_{{{\text{cal}}_{{{\text{cal}}}} }} } \right)}}{{ - (V_{{{\text{DMM}}_{{{\text{acc}}}} }} + V_{{{\text{DMM}}_{{{\text{cal}}}} }} )^{2} }}} \right)^{2} \left[ {u^{2} \left( {V_{{{\text{DMMacc}}}} } \right)}\right. \\&\quad \left.{+ u^{2} \left( {V_{{{\text{DMMcal}}}} } \right)} \right]^{2} + \left( {\frac{{V_{{{\text{cal}}_{{{\text{acc}}}} }} + V_{{{\text{cal}}_{{{\text{cal}}}} }} }}{{V_{{{\text{DMM}}_{{{\text{acc}}}} }} + V_{{{\text{DMM}}_{{{\text{cal}}}} }} }}} \right)^{2} u^{2} \left( r \right) \\ \end{aligned} $$
(5)
That can be simplified as:
$$ u^{2} \left( F \right) = \left( {\frac{1}{5 V}} \right)^{2} \left[ {u^{2} \left( {V_{{{\text{cal}}_{{{\text{acc}}}} }} } \right) + u^{2} \left( {V_{{{\text{cal}}_{{{\text{cal}}}} }} } \right)} \right] + \left( {\frac{1000 V}{{ - 5 V^{2} }}} \right)^{2} \left[ {u^{2} \left( {V_{{{\text{DMMacc}}}} } \right) + u^{2} \left( {V_{{{\text{DMMcal}}}} } \right)} \right]^{2} + \left( {186^{2} u^{2} \left( r \right)} \right. $$
(6)
where
$$ c_{1} = \frac{r}{{V_{{{\text{DMM}}_{{{\text{acc}}}} }} + V_{{{\text{DMM}}_{{{\text{cal}}}} }} }},\quad c_{2} = \frac{{r\left( {V_{{{\text{cal}}_{{{\text{acc}}}} }} + V_{{{\text{cal}}_{{{\text{cal}}}} }} } \right)}}{{ - (V_{{{\text{DMM}}_{{{\text{acc}}}} }} + V_{{{\text{DMM}}_{{{\text{cal}}}} }} )^{2} }},\quad {\text{and}}\;c_{3} = \frac{{V_{{{\text{cal}}_{{{\text{acc}}}} }} + V_{{{\text{cal}}_{{{\text{cal}}}} }} }}{{V_{{{\text{DMM}}_{{{\text{acc}}}} }} + V_{{{\text{DMM}}_{{{\text{cal}}}} }} }} $$
(7)
are the sensitivity coefficients, respectively, of Vcal_acc, Vcal_cal (c1); VDMM_acc, VDMM_cal (c2); and r (c3).
In Tables 3 and 4, the uncertainty budgets, respectively, for the calibration of the scale factor of the divider at 1000 V in DC voltage and at 1000 V at 5 kHz in AC voltage are, respectively, given.
Table 3
Uncertainty budget for the calibration of the divider scale factor in DC voltage at 1000 V
Quantity
Estimate
u(xi)
Typea
ci
ui (F)
νi
Vcal_acc
 ≅ 1000 V
56.5 mV [24]
B
 ≅ 0.2 V─1
6.1 × 10─3
 ≅ ∞
Vcal_cal
 ≅ 0 V
10 mV
B
 ≅ 0.2 V─1
1.1 × 10─3
 ≅ ∞
VDMM_acc
 ≅ 5.36 V
225 μV [25]
B
─186.6 V─1
2.4 × 10─2
 ≅ ∞
VDMM_cal
r
 ≅ 0 V
 ≅ 1
13 μV
7.4 × 10─17
B
A
─186.6 V─1
186.6
1.4 × 10─3
1.4 × 10─14
 ≅ ∞
17
F (y)
186.6
  
u(F)b
1.3 × 10─4c
νeff ≅ ∞
F (y)
186.6
  
U(F)d
2.7 × 10─4
k ≅ 1.96
Bold indicates the final uncertainty value
aUncertainty types: With A, those obtained with statistical methods, and with B, those obtained from prior distributions [23]
bStandard uncertainty corresponding to a 1σ confidence level [23]
cThis value is obtained from the square root of the quadratic sum of the ui (F) components, further normalized to the F value [23]
dExpanded uncertainty corresponding to a 2σ (95.5%) confidence level [23]
Table 4
Uncertainty budget for the calibration of the divider scale factor in AC voltage at 1000 V, 5 kHz
Quantity
Estimate
u(xi)
Type
ci
ui (F)
νi
Vcal_acc
 ≅ 1000 V
0.92 V [22]
B
 ≅ 0.2 V−1
9.9 × 10─2
 ≅ ∞
Vcal_cal
 ≅ 0 V
35 mV
B
 ≅ 0.2 V−1
3.8 × 10─3
 ≅ ∞
VDMM_acc
VDMM_cal
r
 ≅ 5.38 V
 ≅ 0 V
 ≅ 1
5.5 mV [23]
27 μV
2.4 × 10─6
B
B
A
─186.0 V−1
─186.0 V−1
186.0
5.9 × 10─1
2.9 × 10─3
4.5 × 10─4
 ≅ ∞
 ≅ ∞
17
F (y)
186.0
  
u(F)b
3.2 × 10─3c
νeff = 153
F (y)
186.0
  
U(F)d
6.4 × 10─3
k ≅ 2
Bold indicates the final uncertainty value
The treatment can be simplified by means of the following two tables.
From these uncertainty budgets, it can be observed that the greatest components are due to the instruments accuracies. Nevertheless, the components due to the measurements spread and, in particular, to the instruments calibration have not to be considered always negligible, mostly in critical measurement points for the instruments themselves and for low-metrology-grade instruments. The value of F is obtained according to [3] meaning its values for the relevant voltages. Its type A and type B uncertainties have to be evaluated, respectively, through the standard deviation of the mean of the measurements to evaluate F and the linearity behaviour at different voltages. From the results of Tables 3, 4, 5, 6, it can be concluded that scale factor of the INRIM divider has a use uncertainty [26], even with the addition of the uncertainty components from the evaluation of its mean value, that lies within the limit required by the standards (≤ 1%). The dynamic behaviour with high-frequency voltage waveforms is already considered in the step response analysis. The low values in the time response of the divider allow to consider its uncertainty as in the frequency characterization according to the procedure in [2].
Table 5
Simplified budget for the calibration of the divider scale factor in DC voltage at 1000 V
Component
Type
1 δ (× 10−3)
Calibrator accuracy
Calibrator calibration
DMM accuracy
DMM calibration
Measurement noise
B
B
B
B
A
6.1
1.1
24
1.4
negl
Standard uncertainty (normalized ratio square sum)
0.14c
 
Expanded uncertainty
0.27d
 
Bold indicates the final uncertainty value
Table 6
Simplified budget for the calibration of the divider scale factor in AC voltage at 1000 V, 5 kHz
Component
Type
1 δ (× 10−3)
Calibrator accuracy
Calibrator calibration
DMM accuracy
DMM calibration
Measurement noise
B
B
B
B
A
99
3.8
590
29
0.45
Standard uncertainty
3.2c
 
Expanded uncertainty
6.4d
 
Bold indicates the final uncertainty value

4 Divider performance

As first step, the reliability of the divider employed in test set-ups with sinusoidal or impulse voltage generators, coupling and blocking elements and a data acquisition card, had to be verified.

4.1 Tests with single voltages

To develop a divider suitable for composite voltages, in a first stage the verification of the reliability of the divider itself as converting device when submitted to single waveforms has been made. To fulfil this task, the divider was submitted to two separate waveforms. In Fig. 15 and 16, the waveforms supplied by a sinusoidal generator and by an impulse generator, respectively, without the blocking elements measured at the output of the divider are shown.
Fig. 15
Sinusoidal voltage, with RMS 100 V and 140 V magnitude applied to the divider. It correctly measures and reproduces the generated waveform
Bild vergrößern
Fig. 16
LI voltage measured by the divider. Also in this case, the divider reproduces correctly the waveform
Bild vergrößern
In a second phase, the divider has been inserted in a test circuit for composite voltages [2] Sect. 9.2.3, adding a sphere gap for the impulse generator, with an additional 110 μH inductance due to the low voltage and a 20 kΩ resistor for the sinusoidal generator as blocking elements. The two converting devices of the recommended test set-up have been not inserted. The same previous tests have been repeated by alternately supplying the measurement set-up with the two generators. In Fig. 17 and 18, the waveforms measured at the output of the divider in the two situations are shown.
Fig. 17
Sinusoidal voltage, with RMS 100 V and 140 V magnitude applied to the divider through the 20 kΩ resistor
Bild vergrößern
Fig. 18
LI voltage applied to the divider through the sphere gap. Also in this case, the divider reproduces correctly the waveform
Bild vergrößern
The block element does not modify the waveform while the divider correctly measures and reproduces the same waveform.
The voltage goes from 0 V to a peak of 800 V in a satisfactory time of a 1 μs for a LI impulse but the drop to 400 V is too fast as the standard requires a half-value time of 50 μs. In this case, the time was 2 μs due presumably to the low voltage and to the sphere gap effect.

5 Conclusion

The establishment of the European project has been due to the lack in the relevant normative concerning composite and combined waveforms and to the lack of traceable systems for these waveforms. This confirms that systems or dividers are not currently available for these shapes despite the possible test of the divider [18]. The standard developed at INRIM showed its suitability in the individual tests satisfying the required characteristics. The main difficulty in the realization of this device has been to minimize the dependency of its scale factor vs. voltage and frequency. From the detailed uncertainty budget, the scale factor of the divider is traceable to the INRIM DC and AC voltage National Standards with an overall uncertainty within 1%, satisfying the main requirements of the relevant standards. In the next future, with a set-up for composite waveforms, it will be verified whether the measurement of two waveforms separately by means of the divider and their analytical composition correctly reproduces the composite waveform on the device under test. With the same circuit, the parasitic phenomena and the noise due to the electric arc between the spheres of the spark gap will be analysed. The divider could be also used to validate the performance of the composite low-voltage generator that will be developed in the framework of the European project. The possibility of making tests with composite waveforms at low voltage with adequate accuracy will simplify the realization of a test set-up for composite waveforms at high voltages. Therefore, the divider will be useful for a complete study of combined and composite waveform quantities. A further and important aim for the future is the achievement of a better bandwidth for a full-scale divider.

Acknowledgements

This work, being part of the project 19NRM07 HV-com2, has received funding from the EMPIR programme co-financed by the Participating States and from the European Union’s Horizon 2020 research and innovation programme.
Open AccessThis article is licensed under a Creative Commons Attribution 4.0 International License, which permits use, sharing, adaptation, distribution and reproduction in any medium or format, as long as you give appropriate credit to the original author(s) and the source, provide a link to the Creative Commons licence, and indicate if changes were made. The images or other third party material in this article are included in the article's Creative Commons licence, unless indicated otherwise in a credit line to the material. If material is not included in the article's Creative Commons licence and your intended use is not permitted by statutory regulation or exceeds the permitted use, you will need to obtain permission directly from the copyright holder. To view a copy of this licence, visit http://creativecommons.org/licenses/by/4.0/.

Publisher's Note

Springer Nature remains neutral with regard to jurisdictional claims in published maps and institutional affiliations.
download
DOWNLOAD
print
DRUCKEN
Titel
Towards a traceable divider for composite voltage waveforms below 1 kV
Verfasst von
F. Galliana
S. E. Caria
P. E. Roccato
Publikationsdatum
09.08.2021
Verlag
Springer Berlin Heidelberg
Erschienen in
Electrical Engineering / Ausgabe 2/2022
Print ISSN: 0948-7921
Elektronische ISSN: 1432-0487
DOI
https://doi.org/10.1007/s00202-021-01368-5
1.
Zurück zum Zitat IEC 62271:2021 (2021) Series: High-voltage switchgear and controlgear
2.
Zurück zum Zitat IEC 60060–1:2010 (2010) High-voltage test techniques - Part 1: General definitions and test requirements
3.
Zurück zum Zitat IEC 60060–2:2010 (2010) High-voltage test techniques - Part 2: Measuring systems
4.
Zurück zum Zitat J. Meisner et al (2020) Support for standardisation of high voltage testing with composite and combined wave shapes. In: VDE High voltage technology ETG-Symposium, pp. 1–5
5.
Zurück zum Zitat Galliana F et al (2018) Automated precision DC voltage fixed ratios divider. Measurement 122:291–296CrossRef
6.
Zurück zum Zitat Y. Sakamoto et al (2000) Automated dc voltage divider to calibrate voltages up to 1 kV. In: Precision electromagnetic measurements. Conference. CPEM, pp. 363–364
7.
Zurück zum Zitat Endo T et al (1991) Automated voltage divider to calibrate a 10-V output of Zener voltage standard IEEE Trans. Instrum Meas 40(2):333–336CrossRef
8.
Zurück zum Zitat Hirayama H et al (1974) 10-kV high-Accuracy Dc voltage divider IEEE Trans. Instrum Meas 23(4):314–317CrossRef
9.
Zurück zum Zitat Li Yi, Miyuru K et al (2001) Development of precision DC high-voltage dividers IEEE Trans. Instrum. Meas 60(7):211–2216
10.
Zurück zum Zitat Knight RBD, Martin P (2005) A high voltage divider having an uncertainty of 5 p.p.m. at 100 kV. IEEE Trans Instrum Meas 54(5):568–570
11.
Zurück zum Zitat Dragounova N (1993) Precision high-voltage dc dividers and their calibration. IEEE Trans Instrum Meas 42(2):1911–1915
12.
Zurück zum Zitat Mereva A, Kalenderli Ö (2009) The construction of a dc high voltage precision divider. J Electrostat 67(5):741–745CrossRef
13.
Zurück zum Zitat Li Yi et al (2011) Development of precision DC high-voltage dividers. IEEE Trans Instrum Meas 60(7):2211–2216CrossRef
14.
Zurück zum Zitat D’Emilio S et al (1985) Calibration of DC voltage dividers up to 100 kV. IEEE Trans Instrum Meas IM–34:224–227CrossRef
15.
Zurück zum Zitat Arada A et al (1976) Development of a high voltage universal divider dividers. IEEE Trans Power App Syst PAS 95(2):595–603CrossRef
16.
Zurück zum Zitat Linxiang L et al (1988) A new precision AC resistance divider. IEEE Trans Instrum Meas 37(3):462–464CrossRef
17.
Zurück zum Zitat Karlsen B et al (2019) Characterization of high-precision resistive voltage divider and buffer amplifier for ac voltage metrology t. J Metrol Qual Eng. https://doi.org/10.1051/ijmqe/2019006CrossRef
18.
Zurück zum Zitat Long Z et al (2018) Design and performance of a wideband precision capacitive divider for AC and impulse voltage measurement. Rev Sci Instrum 89:115007CrossRef
19.
Zurück zum Zitat Schwab J, Pagel JHW (1972) Precision capacitive voltage divider for impulse voltage measurements. IEEE Trans Power App Syst PAS 91(6):2376–2382CrossRef
20.
Zurück zum Zitat T.Harada, T.Wakimoto, S.Sato and M.Saeki (1999) Development of national standard class reference divider for impulse voltage measurements. In: 11th International symposium on high voltage engineering. London, UK. pp 13–16
21.
Zurück zum Zitat Jayaram S, Yu Xu X, Cross JD (2000) High-divider-ratio fast-response capacitive dividers for high-voltage pulse measurements. IEEE Trans Power App Syst PAS 36(3):920–922
22.
Zurück zum Zitat G. Crotti et al (2010) Development of a RC medium voltage divider for on-site use. In: Proceedings IEEE 2010 precision electromagnetic measurements conference. Daejeon Korea pp 655–656
23.
Zurück zum Zitat JCGM 100:2008 Evaluation of measurement data - Guide to the expression of uncertainty in measurement First edition
24.
Zurück zum Zitat J. Fluke 5502A Multi-Product Calibrator (2012), Operators Manual
25.
Zurück zum Zitat Hewlett&Packard (1996) HP 34401A Multimeter User Manual
26.
Zurück zum Zitat Bich W, Pennecchi F (2004) On the in-use uncertainty of an instrument. In: Ciarlini P, Cox MG, Filipe E, Pavese F, Richter D (eds) Advanced mathematical and computational tools in metrology. World Scientific, Singapore, pp 59–169